STMicroelectronics STSPIN32F025x 250V Three-Phase Controller
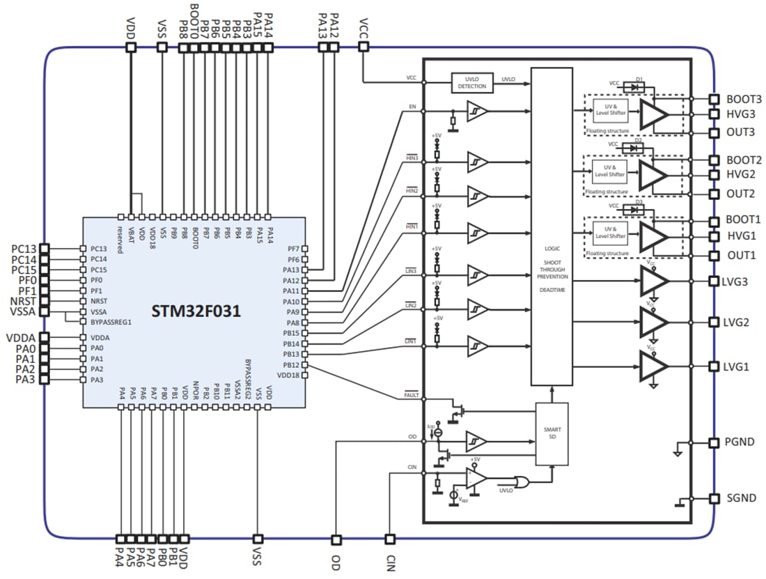
STMicroelectronics STSPIN32F025x 250V Three-Phase Controller is an extremely integrated solution for driving three-phase applications. This integration helps designers to reduce the PCB area and overall bill-of-material. STSPIN32F025x embeds an STM32F031x6x7 MCU, which features an Arm® 32-bit Cortex®-M0 CPU and a 250V triple half-bridge gate driver. The half-bridge gate driver can drive N-channel power MOSFETs or IGBTs. A comparator featuring an advanced smartSD function is integrated, ensuring fast and effective protection against overload and overcurrent. The high-voltage bootstrap diodes are also integrated, as well as anti-cross-conduction, deadtime, and under voltage lock-out (UVLO) protection on both the lower and upper driving sections. These features prevent the power switches from operating in low-efficiency or dangerous conditions. Matched delays between low and high-side sections guarantee no cycle distortion. The integrated MCU allows performing FOC, 6-step sensorless, and other advanced driving algorithms, including the speed control loop.Features
- Three-phase gate drivers
- High voltage rail up to 250V
- Driver current capability
- 200mA/350mA source/sink current (STSPIN32F0251)
- 1.0A/0.85A source/sink current (STSPIN32F0252)
- ±50V/ns dV/dt transient immunity
- 9V to 20V gate driving voltage range
- 32-bit ARM® Cortex®-M0 core
- Up to 48MHz clock frequency
- 4Kbyte SRAM with HW parity
- 32Kbyte Flash memory with option bytes used for write/readout protection
- 21 general-purpose I/O ports (GPIO)
- 6 general-purpose timers
- 12-bit ADC converter (up to 10 channels)
- I2C, USART, and SPI interfaces
- Matched propagation delay for all channels
- Integrated bootstrap diodes
- Comparator for fast overcurrent protection
- UVLO, interlocking, and deadtime functions
- Smart shutdown (smartSD) function
- Standby mode for low power consumption
- On-chip debug support via SWD
- -40°C to +125°C extended temperature range
Applications
- Battery-operated and 110VAC-supplied power and garden tools
- Industrial fans and pumps
- Home appliances
- Industrial and home automation
Block Diagram
Videos
發佈日期: 2019-10-28
| 更新日期: 2024-02-23
