Each of the SEMiQ GEN3 1200V SiC MOSFETs are tested beyond 1400V. The devices target EV-charging stations, solar inverters, renewable power generation, industrial power supplies, motor-driver applications, and induction heating.
Features
- High-speed switching
- Reliable body diode
- All parts tested to greater than 1400V
- Avalanche tested
- GP3T016A120H to 800mJ
- GP3T020A120H to 700mJ
- GP3T040A120H to 330mJ
- GP3T080A120H to 160mJ
- Driver source pin for gate driving
- Lower capacitance
- Higher system efficiency
- Easy to parallel
- Lower switching loss
- Longer creepage distance (GP3T020A120H, GP3T040A120H, and GP3T080A120H)
Applications
- Solar inverters
- Switch-mode power supplies, UPS
- Induction heating and welding
- EV charging stations
- High voltage DC-DC converters
- Motor drives
Circuit Diagram
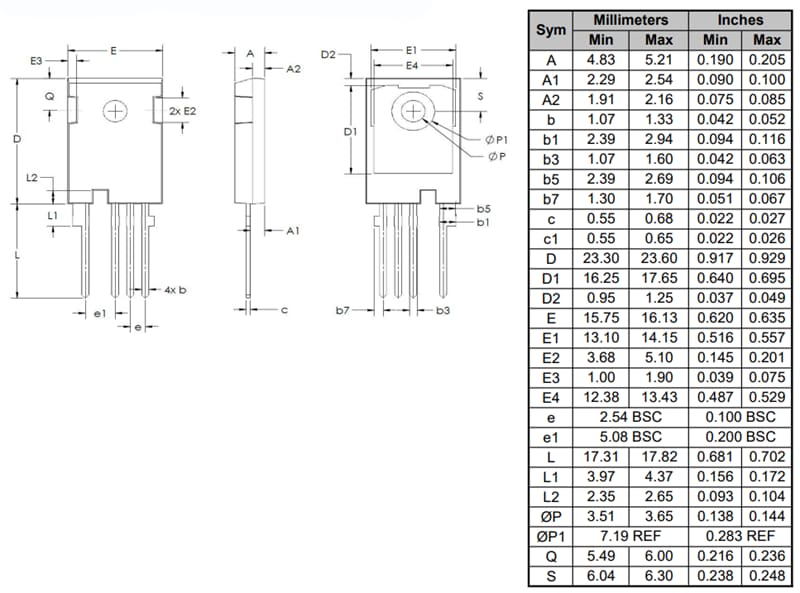
Package Diagram
發佈日期: 2025-07-30
| 更新日期: 2025-08-13

