onsemi NXH100B120H3Q0雙升壓功率模組

安森美 (onsemi) NXH100B120H3Q0雙升壓功率模組具高效率和優異的可靠性。NXH100B120H3Q0整合式電場截止溝槽IGBT和SiC二極體提供更低的傳導耗損和切換耗損。NXH100B120H3Q0雙升壓功率模組是儲能系統、太陽能逆變器和不斷電系統應用的理想選擇。

特點

  • 超電場截止IGBT:1200V
  • 低反向恢復和高速切換SiC二極體
  • 旁路和反平行二極體:1600V
  • 低電感配置
  • 可焊接腳位或壓合式腳位
  • 熱敏電阻
  • 提供預塗熱介面材料 (TIM) 和無預塗TIM的選項

應用

  • 太陽能逆變器
  • 不斷電系統
  • 能源儲存系統

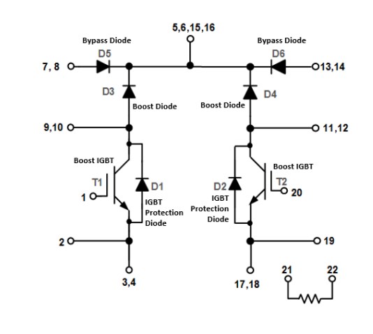
示意圖

電路圖 - onsemi NXH100B120H3Q0雙升壓功率模組
發佈日期: 2019-11-06 | 更新日期: 2024-06-24