Infineon Technologies SSR Reference Design Kit
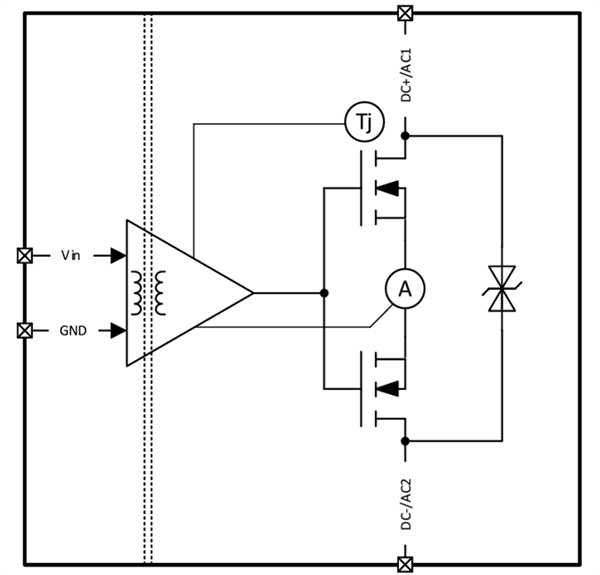
Infineon Technologies Solid-State Relay (SSR) Reference Design Kit allows evaluation of AC- and DC-type solid-state relays supporting 250VAC or 350VDC operation and 2A nominal current in a compact form factor. The board is compact and features integrated overcurrent and overtemperature protection mechanisms thanks to the innovative isolated EiceDRIVER™ iSSI gate driver with Coreless Transformer (CT) technology and a CoolMOS™ S7T SJ MOSFET with integrated temperature sensor.Features
- Back-to-Back (B2B) CoolMOS configuration for bidirectional current blocking capability
- Adjustable input supply voltage
- AC and DC operation
- CoolMOS S7T (IPT60T022S7) power FETs with an embedded temperature sensor for measuring the junction temperature (Tj) and enabling overtemperature protection
- Galvanic isolation up to 5.7kVRMS
- Fast switch off (<10µs)
- Shunt resistor-based channel current measurement
- Solid-state isolator (ISSI30R12H) with integrated provisions for overcurrent (OCD) and overtemperature protection (OVT)
- External clamping elements for overvoltage protection (OVP)
- Small form factor
- Enhanced reliability and safety
- Arc-free switching
- No separate output bias supply needed
Applications
- Industrial automation
- Solid-state relays
Specifications
- 250VAC/350VDC (typical) maximum switching voltage
- 2A typical nominal switching current
- 2.5VDC to 3.5VDC input supply voltage range
- 27A to 31A overcurrent limit range
- +40°C maximum ambient operating temperature, +25°C typical
- Pollution degree II
- Overvoltage category II
- 2000m maximum altitude
SSR Block Diagram
發佈日期: 2024-10-02
| 更新日期: 2024-11-01
