Infineon Technologies EiceDRIVER™ 1ED21x7x 650V High-Side Gate Drivers
Infineon Technologies EiceDRIVER™ 1ED21x7x 650V High-Side Gate Drivers are designed to provide robust and efficient control for high-voltage power transistors. These Infineon gate drivers feature a high-side driver architecture that supports a wide range of applications, including motor drives, solar inverters, and industrial power supplies. With a maximum voltage rating of 650V, the 1ED21x7x series ensures reliable operation in demanding environments. Key features include integrated bootstrap diodes, fast switching capabilities, and comprehensive protection mechanisms such as undervoltage lockout (UVLO) and overcurrent protection. These attributes make the EiceDRIVER™ 1ED21x7x series an ideal choice for enhancing the performance and reliability of high-voltage power systems.Features
- Infineon thin-film-SOI-technology
- +650V maximum blocking voltage
- ±4A output source/sink current
- 25V maximum supply voltage
- Integrated ultra-fast, low RDS(ON) bootstrap diode
- 100V negative VS transient immunity
- Detection of over current and under voltage supply
- Multi-function RCIN/Fault/Enable (RFE) with programmable fault clear time
- Less than 100ns propagation delay
- PG-DSO-8 package
- Qualified for industrial applications according to the relevant tests of JEDEC47/20/22
- RoHS compliant
Applications
- Motor drives, general purpose inverters
- Forklifts
- Light electric vehicles
Specifications
- 672V maximum high-side floating well supply voltage
- 0V to 650V high-side floating well supply offset voltage range
- 22V maximum high-side floating well supply voltage
- 22V maximum low-side supply voltage
- 0V to 5V Logic I/O voltage (HIN/RFE) range
- 5µA maximum high-side floating well offset supply leakage
- 350µA maximum VBS quiescent supply current, 270µA typical
- 400µA maximum VCC quiescent supply current, 270µA typical
- 0.46V typical high-level output voltage drop
- 0.26V typical low-level output voltage drop
- 4A typical peak output current turn-on/-off
- 1µA to 50µA maximum input bias current
- Bootstrap diode
- 0.6V to 1.1V forward voltage range between VCC and VB
- 71mA typical forward current between VCC and VB
- 50Ω maximum resistance, 35Ω typical
- -40°C to +125V ambient temperature range
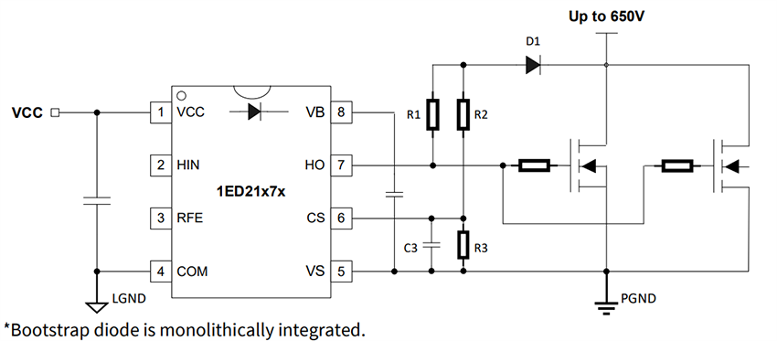
Typical Application
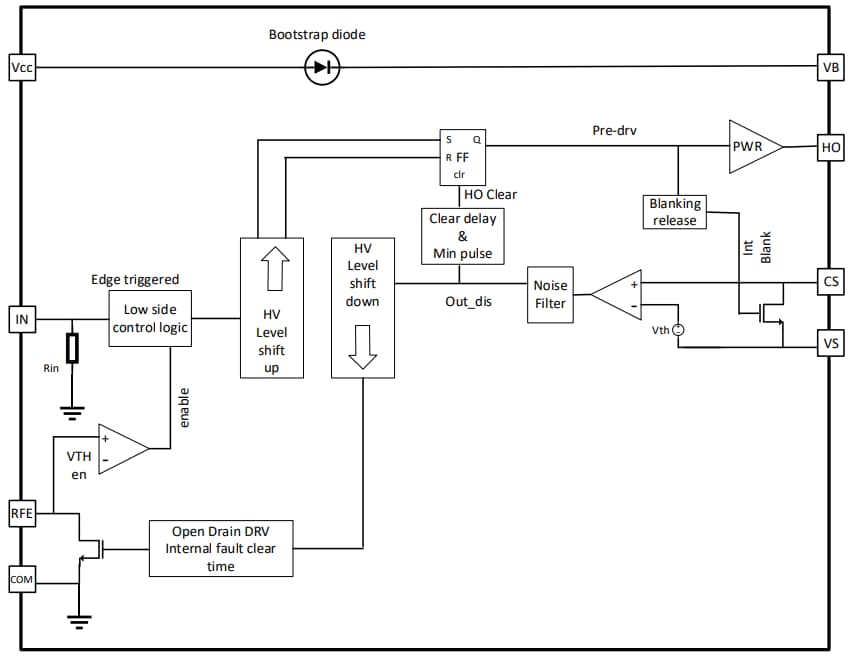
Functional Block Diagram
發佈日期: 2025-04-14
| 更新日期: 2025-04-21
