Trenz Electronic TE0818 Industrial Grade MPSoC SOMs
Trenz Electronic TE0818 Industrial Grade Multiprocessor System-on-Chip (MPSoC) System-on-Modules (SOMs) is a sophisticated solution for high-performance, reliable computing in demanding environments. These SOMs integrate an AMD Zynq UltraScale+ MPSoC, DDR4 SDRAM with 64-bit width data bus connection, SPI Boot Flash memory for configuration/operation, transceivers, and powerful switch-mode power supplies for all onboard voltages. Many configurable I/Os are provided via rugged high-speed stacking connections in a compact 76mm x 52mm form factor. Applications range from complex industrial automation and robotics to advanced imaging and communications systems, making these devices a critical component in modern industrial and embedded systems.
Features
- SoC
- ZU6/ZU9/ZU15 device
- CG/EG engine
- -1/-2 speed grade
- Extended/industrial temperature range
- FFVC900 package
- RAM/storage
- 4GByte DDR4 SDRAM
- 2x 64MByte serial Flash
- EEPROM with MAC address
- Onboard oscillator
- 4x B2B connector (ADM6) interface
- Up to 204 PL IO
- HP: 156
- HD: 48
- Up to 65 PS MIO
- 4 GTR
- 16 GTH
- I2C, JTAG, CONFIG
- Up to 204 PL IO
- 3.3V power supply via B2B connector needed
- 76mm x 52mm dimensions
Applications
- Industrial automation
- Robotics
- Advanced imaging
- Communications systems
System Overview
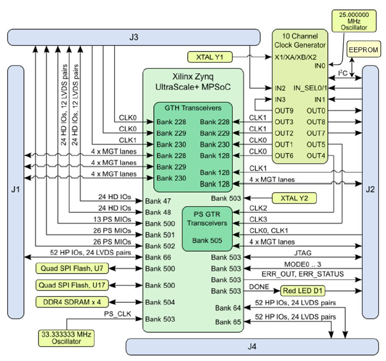
Block Diagram
Main Components
