Toshiba TB9120AFTG Automotive Stepping Motor Driver
Toshiba TB9120AFTG Automotive Stepping Motor Driver is a constant current, 2-phase, bipolar stepping motor driver with a clock input interface and a PWM constant-current control system. Using stepping motors, the Toshiba TB9120AFTG driver is suited to various automotive and general applications. The AEC-Q100 component uses a wettable flank QFN package with excellent solderability. An advanced functional MCU or dedicated software is not required. Less motor noise and smoother control are achieved, supporting full-step to 1/32-step selectable excitation mode. The PWM constant-current control allows stable output waveforms in mixed decay mode. Upon detecting a stall, a stall detection signal will be received by a microcontroller and fed back into the system.Features
- Two-phase bipolar stepping motor that can be driven with a single chip
- Adoption of PWM constant-current control
- Built-in a mixed decay mode
- Excitation mode selectable
- Full step
- Half step
- Quarter step
- 1/8 step
- 1/16 step
- 1/32 step
- 0.8Ω typical on-resistance of power MOSFETs
- 40V maximum input power supply voltage (VBAT)
- 2.0A typical overcurrent detection, maximum output, driving current
- 5V (VccOUT) internal voltage
- Anomaly detection functions
- Over-temperature detection
- Overcurrent detection
- Load open detection
- Low voltage detection
- DIAG output
- Over-temperature detection
- Overcurrent detection
- Load open detection
- Stall detection function and flag output function if detected
- Standby function
- 7V to 18V operating power supply voltage [VBAT(opr.)] range, only some of the functions are guaranteed in 4.5V to 7V
- 100kHz maximum clock input frequency (fCLK)
- -40°C to 125°C operating temperature range
- VQFN28 package
- AEC-Q100 qualified
Applications
- Mirror adjustment for the projection position of heads-up displays
- Idle speed control valves
- Expansion valves in refrigerant circuits for automotive air conditioners and battery management systems
- Other applications using automotive stepping motors
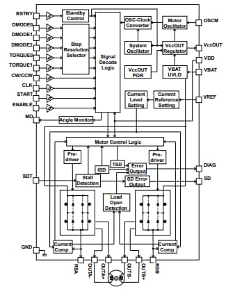
Block Diagram
發佈日期: 2020-07-17
| 更新日期: 2024-11-20
