用於Stellaris®微控制器的Texas Instruments DK-LM3S-DRV8312電機控制套裝
用於Stellaris®微控制器的Texas Instruments DK-LM3S-DRV8312電機控制套裝

檢視產品清單

附加資源

用於Stellaris®微控制器的
Texas Instruments DK-LM3S-DRV8312電機控制套裝

用於Stellaris® 微控制器的Texas Instruments DK-LM3S-DRV8312電機控制套裝是一個用於旋轉3相無刷直流和無刷交流電機的開發平台。TI DK-LM3S-DRV8312電機控制套裝包括一個具有成本效益的、基於Stellaris LM3S818 微控制器的control|CARD,它與其他的TI電機控制平台相容。除可瞬間旋轉電機外,TI DK-LM3S-DRV8312電機控制套裝還表現出了InstaSPN BLDC電機控制解決方案的優勢,具有簡化調諧、瞬時加速調適、可靠的低速運行及更多特點。所含的Crosshairs解決方案,可讓用户透過易於使用且可擴展用於終端應用的PC應用,控制和監控總體解決方案。

套裝內容
  • MDL-LM3S818CNCD controlCARD模塊
    • 帶有板上Stellaris在電路調試接口(ICDI)的Stellaris 50-MHz ARM® Cortex™-M3 LM3S818微控制器
    • 可插拔100-pin DIMM波形因數
    • 建立調試連接時自動隔離啟動
  • DRV8312基板(TI集成式3P電機驅動器板支援高達52.5V和6.5A)
  • NEMA17 BLDC/PMSM 55W電機
  • 24V 2.5A DC電源適配器,110-240V AC輸入,美國規格電源線纜
  • USB-miniB至USB-A插頭線纜(用於調試和串行通訊)
  • 套裝CD:
    • 完整的使用說明
    • 用於固件更新的LM Flash可編程應用
    • Crosshairs圖形用户界面 (GUI)
    • 適用源代碼
    • 電路圖
  • TI Code Composer Studio™集成開發環境(IDE)

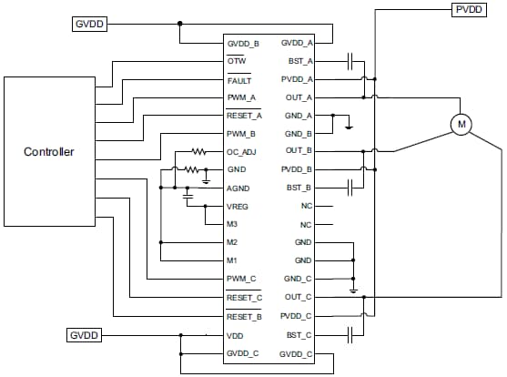
DRV8312應用圖

DRV8312應用圖

LM3S818結構圖

LM3S818結構圖
  • Texas Instruments
  • Industrial
  • Development Tools
發佈日期: 2017-05-26 | 更新日期: 2017-05-26