Texas Instruments TSB41BA3F-EP Three-Port Cable Transceiver/Arbiter
Texas Instruments TSB41BA3F-EP Three-Port Cable Transceiver/Arbiter provides the digital and analog transceiver functions needed to implement a three-port node in a cable-based IEEE 1394 network. Each cable port incorporates two differential line transceivers. The transceivers include circuitry to monitor the line conditions as needed for determining connection status, for initialization and arbitration, and packet reception and transmission. The Texas Instruments TSB41BA3F-EP interfaces with a link-layer controller (LLC), such as the TSB82AF15-EP, TSB12LV21, TSB12LV26, TSB12LV32, TSB42AA4, TSB42AB4, TSB12LV01B, TSB12LV01C, or the TSB82AA2. It can also be connected via cable port to an integrated 1394 Link + PHY layer such as the TSB43AB2.Features
- New features (for ports operating in BETA mode)
- Detection of loss-of-scrambler-sync
- Fast power-on re-connect
- Fast re-train upon loss-of-sync
- Fast tone debounce
- Fast connection (skip tone debounce and speed negotiation)
- Fully supports provisions of 1394-1995, IEEE 1394a-2000, and IEEE 1394b-2002 at s100, s100b, s200, s200b, s400, and s400b signaling rates (b signifies IEEE 1394b signaling)
- Provides three fully backward-compatible, bilingual 1394b at 400Mbps and 1394a-2000 compliant at 100/200/400Mbps
- Full 1394a-2000 support includes connection debounce, arbitrated short reset, multispeed concatenation, arbitration acceleration, fly-by concatenation, port disable/suspend/resume, extended resume signaling for compatibility with legacy dv devices
- Fully interoperable with Firewire™, DTVLink, SB1394, DishWire, and i.LINK™ implementation of IEEE std 1394
- Cable/transceiver hardware speed and port mode are selectable by terminal states
- Supports connection to CAT5 cable transceiver by setting ports to be beta-only, 400Mbps-only, 200Mbps-only, or 100Mbps-only
- Supports connection to s200 plastic optical fiber transceivers by setting ports to be beta-only, 200Mbps-only, and 100Mbps-only
- The optical signal detect input for all ports in beta mode, enable a connection to optical transceivers
- Supports the use of 1394a connectors by allowing ports 1 and 2 to be forced to the 1394a-only mode
- PHY-LINK interface selectable from 1394a-2000 mode (2/4/8 bits at 49.152Mhz) or 1394b mode (8 bits at 98.304Mhz)
- Register bits give software control of software device reset, contender bit, power class bits, link active control bit, and 1394a-2000 features
- Separate bias (tpbias) for each port
- Cable ports monitor line conditions for active connection to a remote node
- Cable power presence monitoring
- 1394a-2000-compliant, common-mode noise filter on the incoming bias detect circuit to filter out crosstalk noise
- Power-down features to conserve energy in battery-powered applications
- Low-cost 49.152Mhz crystal provides the transmit and receive data at 100/200/400Mbps and link-layer controller clock at 49.152Mhz and 98.304Mhz
- Interoperable with link-layer controllers using 3.3V supplies
- Interoperable with other 1394 physical layers (PHYs) using 1.8V, 3.3V, and 5V supplies
- Fail-safe circuitry senses a sudden loss of power to the device and disables the ports to ensure that the TSB41BA3F-EP does not load the tpbias of any connected device and blocks any leakage from the port back to the power plane
- Supports defense, aerospace, and medical applications
- Controlled baseline
- One assembly/test site
- One fabrication site
- Extended product life cycle
- Extended product-change notification
- Product traceability
Applications
- Avionics and defense
- Factory automation and control
- Medical
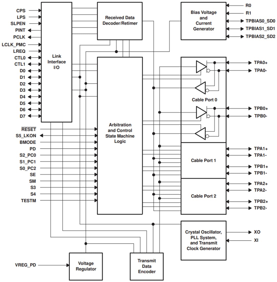
Functional Block Diagram
發佈日期: 2020-12-14
| 更新日期: 2025-02-27
