Texas Instruments TPS9238x 45V LED Backlight Driver
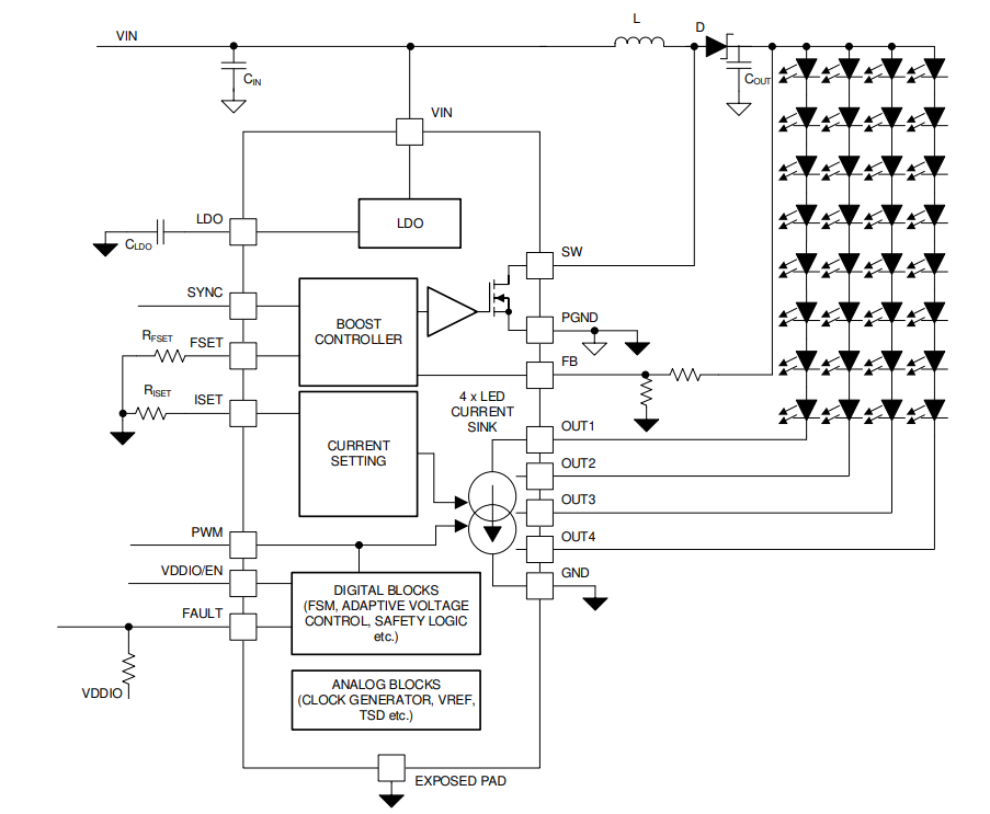
Texas Instruments TPS9238x 45V LED Backlight Driver is highly integrated and designed for medium-size LCD backlight applications. The TPS9238x includes a DC-DC with an integrated FET, supporting both boost and SEPIC modes, an internal LDO enabling direct connection to a battery without the need for a pre-regulated supply, and 3 or 4 LED current sinks. The VDDIO/EN pin delivers the supply voltage for digital IOs (PWM and SYNC inputs) and, at the same time, enables the device.The TI TPS9238x 45V LED Backlight Driver sets the switching frequency on the DC-DC converter by a resistor connected to the FSET pin. A resistive divider connected to the FB pin sets the maximum voltage of the DC-DC. For EMI reduction, DC-DC supports spread spectrum for switching frequency and an external synchronization with a dedicated pin. A wide-range adjustable frequency allows the TPS9238x to avoid disturbance for sensitive frequency bands.
The TPS9238x integrates extensive fault detection features. The TPS9238x has an input voltage range from 4.5V to 40V and is available in an HTSSOP package.
Features
- 3-, 4-Channel 120mA current sinks
- High dimming ratio of 10 000:1 at 100Hz
- Current matching 1% (typical)
- LED String current up to 120mA per channel
- Outputs can be combined externally for higher current per string
- Integrated boost and SEPIC converter for LED string power
- Input voltage operating range 4.5V to 40V
- Output voltage up to 45V
- Integrated 3.3A switch FET
- Switching frequency 300kHz to 2.2MHz
- Switching synchronization input
- Spread spectrum for lower EMI
- Fault detection and protection
- Fault output
- Input voltage OVP, UVLO, and OCP
- Boost block SW OVP and output OVP
- LED open and short fault detection
- Thermal shutdown
Applications
- Industrial Backlight for medium-size panel
- Consumer Backlight for medium-size panel
- Industrial Illumination for LED panel
Block Diagram
發佈日期: 2021-07-13
| 更新日期: 2022-09-15
