The device has a 1mA quiescent current that drops to less than 1µA in shutdown. The quiescent current is well controlled in the TPS73801 as it does not rise in dropout like many other regulators. In addition to a fast transient response, the TPS73801 regulators offer very low output noise, ideal for sensitive RF supply applications.
The TI TPS73801 regulators are stable with output capacitors as low as 10µF and a 1.21V to 20V output voltage range. Unlike most regulators, small ceramic capacitors can be used without the necessary addition of ESR.
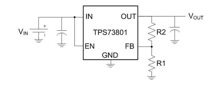
Internal protection circuitry includes reverse-battery protection, current limiting, thermal limiting, and reverse-current protection. The TPS73801 is provided as an adjustable device with a 1.21V reference voltage. The TPS73801 regulators are engineered in the 6-pin TO-223 (DCQ) packages.
Features
- Optimized for fast transient response
- 1.0A output current
- 300mV dropout voltage
- 45µVRMS (10Hz to 100kHz) low noise
- 1mA quiescent current
- No protection diodes are needed
- Controlled quiescent current in dropout
- 1.21V to 20V adjustable output voltage
- Less than 1µA quiescent current in shutdown
- Stable with 10µF output capacitor
- Stable with ceramic capacitors
- Reverse-battery protection
- No reverse current
- Thermal limiting
Applications
- 3.3V to 2.5V logic power supplies
- Post regulator for switching supplies
- Portable/battery-powered equipment
Videos
Simplified Schematic
Functional Block Diagram

