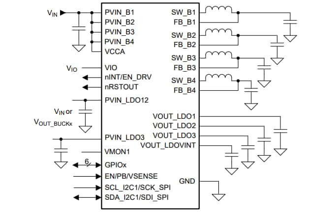
Texas Instruments TPS65223-Q1 Power Management IC (PMIC)
Texas Instruments TPS65223-Q1 Power Management IC (PMIC) is designed to meet the power management requirements of processors and platforms in various safety-relevant applications. The -40°C to +125°C ambient temperature range makes the PMIC ideal for varied automotive applications. The TI TPS65223-Q1 has four step-down DC/DC (BUCK) converters. Additionally, the device has three low-drop-out (LDO) regulators, which can also be utilized as load switches.Features
- Qualified for automotive applications
- AEC-Q100 qualified with the following results:
- 3V to 5.5V input supply
- -40°C to +125°C (ambient) temperature grade 1
- HBM classification level 2
- CDM classification level C4A
- Functional safety-compliant
- Developed for functional safety applications
- Documentation available to aid ISO26262 system design
- Documentation available to aid IEC61508 system design
- Systematic integrity up to ASIL-D
- Systematic integrity up to SIL-3
- Hardware integrity up to ASIL-B
- Hardware integrity up to SIL-2
- Undervoltage and overvoltage monitors, and a current limit on all output supply rails
- Undervoltage and overvoltage monitors for two external supply rails and for the input supply
- Watchdog (trigger or Q&A)
- Error signal monitor (level or PWM)
- Temperature warning and thermal shutdown
- Built-in self-test on voltage monitors
- BUCK1 + BUCK2 high-efficiency step-down DC/DC converters
- 0.5V to 3.3V output voltage
- 3.5A output current
- 2.2MHz or 4.4MHz switching frequency
- BUCK3 + BUCK4 high-efficiency step-down DC/DC converters
- 0.5V to 3.3V output voltage
- 2.4A output current
- 2.2MHz or 4.4MHz switching frequency
- Two low-dropout (LDO) linear regulators with configurable load-switch mode
- 0.6V to 3.3V in LDO-mode output voltage
- 400mA output current
- One low-dropout (LDO) linear regulator with low-noise performance and a configurable load switch mode
- 1.2V to 3.3V in LDO-mode output voltage
- 300mA output current
- Six configurable general-purpose input-output (GPIO) pins, reset, and safe state outputs
- One 12-bit ADC
- OTP configurable power sequence
- 36-pin, 5mm x 6mm, QFN package, 0.5mm pitch
Applications
- Processors such as AM62A3-Q1, AM62A3, AM62A7-Q1, AM62A7, AM67, AM62P(-Q1), AM62D(-Q1), AM275, TDA4VEN, TDA4AEN, or processors of other vendors
- Automotive infotainment and digital cluster, eMirror, Camera Mirror System (CMS)
- Driver Monitoring System (DMS), Occupancy Monitoring System (OMS), ADAS front camera
- Industrial control and automation, Machine Vision Camera, Autonomous Mobile Robots (AGV/AMR)
Simplified Application
發佈日期: 2025-05-08
| 更新日期: 2025-05-29
