Texas Instruments TPS6215x 3-17V 1A Step-Down Converters
Texas Instruments TPS6215x 3-17V 1A Step-Down Converters are easy-to-use synchronous step down DC-DC converters optimized for applications with high power density. A high switching frequency of typically 2.5MHz allows the use of small inductors and provides fast transient response as well as high output voltage accuracy by utilization of the DCS-Control™ topology. With its wide operating input voltage range of 3V to 17V, these TI devices are ideally suited for systems powered from either a Li-Ion or other batteries as well as from 12V intermediate power rails. These step-down converters support up to 1A continuous output current at output voltages between 0.9V and 6V (with 100% duty cycle mode).Features
- DCS-Control™ topology
- Input voltage range 3V to 17V
- Up to 1A output current
- An adjustable output voltage from 0.9 to 6V
- Pin-selectable output voltage (nominal, + 5%)
- Programmable soft-start and tracking
- Seamless power save mode transition
- Quiescent current of 17µA (typical)
- Selectable operating frequency
- Power good output
- 100% duty cycle mode
- Short circuit protection
- Over temperature protection
- Available in a 3mm x 3mm, QFN-16 package
- TPS6215xA-Q1 AEC-Q100 qualified with the following results:
- Device temperature grade -40°C to 125°C operating junction temperature range
- Device HBM RSD classification level H2
- Device CDM ESD classification level C4B
Applications
- Standard 12V rail supplies
- POL Supply from single or multiple Li-Ion battery
- Solid-State disk drives
- Embedded systems
- LDO replacement
- Mobile PCs, tablet, modems, and cameras
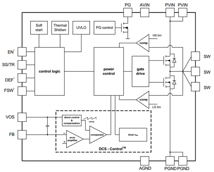
TPS62150 Block Diagram
TI Webench Designer
發佈日期: 2013-08-13
| 更新日期: 2022-03-11
