Texas Instruments TPS536C7B1 Step-Down Multiphase PWM Controller

Texas Instruments TPS536C7B1 Step-Down Multiphase PWM Controller comes with dual channels, built-in non-volatile memory (NVM), and PMBus interface and is fully compatible with TI NexFET™ smart power stages. The advanced control features, such as the D-CAP+ architecture, provide a fast transient response, low output capacitance, and good current sharing. The device also provides a novel phase interleaving strategy and flexible firing order. Adjustable control of output voltage slew rate and adaptive voltage positioning is also supported. The device supports the PMBus communication interface for reporting telemetry of voltage, current, power, temperature, and fault conditions to the system host. All programmable parameters can be configured by the PMBus interface and can be stored in NVM as the new default values to minimize the external component count. The Texas Instruments TPS536C7B1 is offered in a thermally enhanced 48-pin QFN packaged and is rated to operate from –40°C to 125°C.

Features

  • 4.5V to 18V input voltage range
  • 0.25V to 5.5V output voltage range
  • 300kHz to 2000kHz per-phase switching frequency range
  • Dual output supporting N+M phase configurations (N+M ≤ 12, M ≤ 6)
  • PMBus v1.3.1 system interface for configuration, control, and telemetry of voltage, current, power, temperature, and fault status
  • Adaptive voltage scaling (AVS) through VOUT_COMMAND
  • Enhanced D-CAP+ control to provide a super transient performance with excellent dynamic current sharing
  • Programmable loop compensation
  • Flexible phase-firing order
  • External pin strap for Ch. A boot voltage settings
  • Individual phase current calibrations and reporting
  • Phase thermal balance management (TBM)
  • Full support for dynamic phase shedding (DPS)
  • Fast phase-adding for undershoot reduction (USR)
  • Body-diode braking for overshoot reduction (OSR)
  • Driverless configuration for efficient high-frequency switching
  • Fully compatible with TI NexFET™ power stage for high-density solutions
  • Accurate, programmable Adaptive Voltage Positioning (AVP)
  • Patented AutoBalance™ phase balancing
  • 6mm × 6mm, 48-Pin, QFN package

Applications

  • Datacenter network switches
  • Campus and branch switches
  • Core and edge routers
  • Hardware accelerator cards
  • High-performance CPU/ASIC/FPGA power

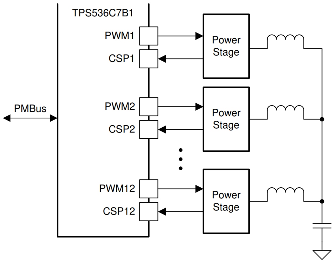
Simplified Schematic

Schematic - Texas Instruments TPS536C7B1 Step-Down Multiphase PWM Controller
發佈日期: 2021-01-26 | 更新日期: 2022-03-11