DC-DC控制器具備PSR功能,省下了外部的分流穩壓器和光耦合器,可直接使用輔助繞組的回饋來控制輸出電壓。轉換器一般可在250 kHz切換頻率下作業,並特別針對連續導通模式 (CCM) 作業最佳化,且具備次級側同步整流功能。因此,本轉換器在多重輸出下仍能展現最佳的整體效率、調節精準度和階段負載回應。
裝置提供SFFD和斜率控制,有助於降低EMI濾波器的尺寸和成本。裝置還具備進階啟動功能,可使用最小的偏壓電容器,同時簡化轉換器的啟動和Hiccup設計。其初期輔助電源偵測 (APD) 腳位以初級側變壓器為優先。TPS23758裝置支援非隔離式應用的降壓拓撲。
特點
- 適用於Type 1 PoE,完整的IEEE 802.3at PD解決方案
- 提供乙太網路聯盟(Ethernet Alliance,EA)標誌認證設計
- 穩定可靠的100V、0.36Ω(典型值)熱插拔MOSFET
- 整合0.77Ω(典型值)150V功率MOSFET的PWM控制器
- 具備PSR功能的返馳控制器
- 支援次級側同步FET的CCM作業 - 多重輸出
- ±1%(典型值,5V輸出)負載調節(0-100%負載範圍)- 搭配同步FET
- 支援低側開關降壓拓撲
- 具備同步功能的可調整切換頻率
- 軟起動控制,含進階設定
- 可編程的斜率和頻率抖動,可進一步降低EMI
- 具備PSR功能的返馳控制器
- 初級變壓器優先輸入
- –40°C至125°C接面溫度範圍
- 小尺寸的6 mm x 4 mm VSON封裝
應用
- IEEE 802.3at相容的供電裝置
- VoIP電話
- 安全監控攝影機
- IP電話
- 存取點
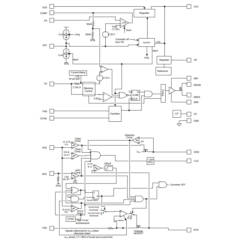
功能圖
發佈日期: 2019-07-31
| 更新日期: 2023-10-12

