Texas Instruments TPS1HB35-Q1 Single-Ch Smart High-Side Switches
Texas Instruments TPS1HB35-Q1 Single-Channel Smart High-Side Switches are intended for use in 12V automotive systems. The TPS1HB35-Q1 Switches integrate robust protection and diagnostic features to ensure output port protection even during harmful events like short circuits in automotive systems.The TI TPS1HB35-Q1 High-Side Switches protect against faults through a reliable current limit, which, depending on the device variant, is adjustable from 2A to 22A. The high current limit range enables usage in loads that require large transient currents, while the low current limit range provides improved protection for loads that do not require high peak current. The TPS1HB35-Q1 is capable of reliably driving a wide range of load profiles.
The TPS1HB35-Q1 features a high accuracy analog current sense that allows for improved load diagnostics. The High-Side Switches enable predictive maintenance and load diagnostics that improve the system lifetime by reporting load current and device temperature to a system MCU.
The TPS1HB35-Q1 is available in an HTSSOP package, which allows for a reduced PCB footprint.
Features
- AEC-Q100 qualified for automotive applications
- Temperature grade 1 of –40°C to 125°C
- Device HBM ESD classification level 2
- Device CDM ESD classification level C4B
- Withstands 40V load dump
- Functional safety capable - documentation available to aid functional safety system design
- Single-channel smart high-side switch with 35mΩ RON (TJ = 25°C)
- Improve system-level reliability through adjustable current limiting (current limit set-point from 2A to 22A)
- Analog sense output can be configured to accurately measure
- Load current
- Device temperature
- Robust integrated output protection
- Integrated thermal protection
- Protection against short-to-ground and battery
- Protection against reverse battery events, including automatic switch-on of FET with reverse voltage
- Automatic shut-off on loss of battery and ground
- Integrated output clamp to demagnetize inductive loads
- Configurable fault handling
- Provides fault indication through SNS pin (detection of open load and short-to-battery)
Applications
- Automotive display module
- ADAS modules
- Seat comfort module
- Transmission control unit
- HVAC control module
- Body control modules
- Incandescent and LED lighting
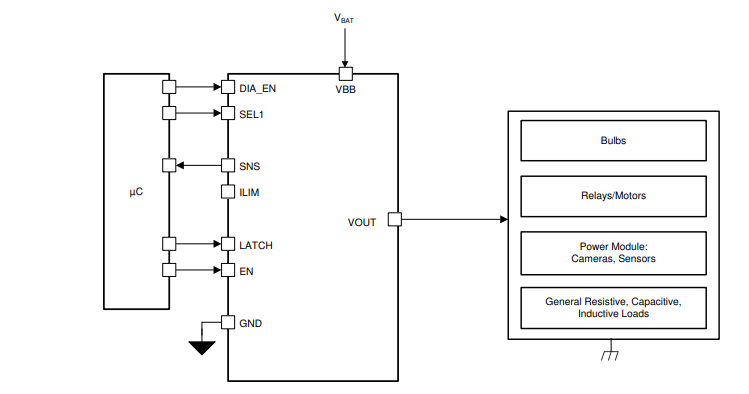
Simplified Schematic
