Texas Instruments TMP75C/TMP75C-Q1 Temperature Sensors
Texas Instruments TMP75C/TMP75C-Q1 Temperature Sensors are an integrated digital temperature sensor with a 12-bit analog-to-digital converter (ADC). These devices can operate at a 1.8V supply and are pin and register compatible with the NCT75 and ADT75. The TMP75C/TMP75C-Q1 can read temperatures with a resolution of 0.0625°C and are specified over a temperature range of –55°C to +125°C. The TMP75C/TMP75C-Q1 features SMBus and two-wire interface compatibility. This feature allows up to eight devices with the SMBus over temperature alert function on the same bus. The programmable temperature limits and the ALERT pin allow the sensor to operate as a stand-alone thermostat or an over-temperature alarm for power throttling or system shutdown. The Texas Instruments TMP75C-Q1 devices are AEC-Q100 qualified for automotive applications.Features
- Low-voltage alternative to NCT75 and ADT75
- Digital output with two-wire serial interface
- Up to 8 pin-programmable bus addresses
- Overtemperature ALERT pin with programmable trip values
- Shutdown mode for battery power saving
- One-shot conversion mode
- Quiescent current
- 15µA active (typ)
- 0.3µA shutdown (typ)
- –55°C to +125°C operating temperature range
- 1.4V to 3.6V operating supply range
- Accuracy
- ±0.25°C (typ) from 0°C to +70°C
- ±0.5°C (typ) from –20°C to +85°C
- ±1°C (typ) from –55°C to +125°C
- 12 bits (0.0625°C) resolution
- SOIC-8 and VSSOP-8 packages
Applications
- Server and computer thermal management
- Telecommunication equipment
- Office machines
- Video game consoles
- Set-top boxes
- Power supply and battery thermal protection
- Thermostat control
- Environmental monitoring and HVAC
- Electrical motor driver thermal protection
Datasheets
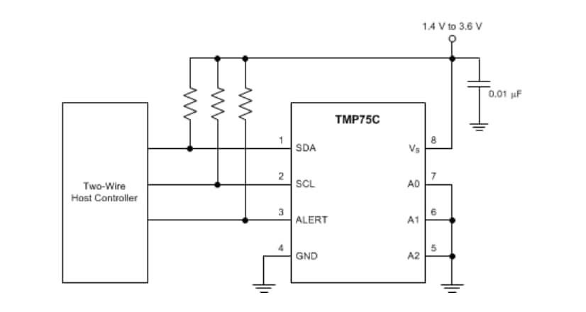
Functional Block Diagram
Additional Resources
發佈日期: 2017-08-01
| 更新日期: 2023-10-31
