Texas Instruments TMP464遠端與本機溫度感測器
Texas Instruments TMP464遠端與本機溫度感測器為高精準度、低功耗,使用兩線SMBus或I2C相容介面的溫度感測器。除了本機的溫度,還可同時監控最多四個遠端二極體連接的溫度區。本裝置可彙總整個系統的溫度測量資料,使保護帶更緊密,從而改善效能,還有助於簡化電路板的複雜度。其典型的使用案例包括,用於監控伺服器和電信設備等複雜系統內的MCU、GPU和FPGA等不同處理器的溫度。TMP464裝置具有高精準度 (0.75°C) 和高解析度 (0.0625°C) 的測量功能。裝置支援低電壓軌(1.7V至3.6V)和常見的兩線介面,採用省空間的小尺寸封裝 (3 mm×3 mm),方便整合至運算系統內。特點
- 4通道遠端二極體溫度感測器
- 本機和遠端精準度:±0.75°C(最高)
- 溫度解析度:0.0625°C
- 供應和邏輯電壓範圍:1.7V至3.6V
- 43µA作業電流(1個SPS,所有通道啟動)
- 0.3µA關機電流
- 遠端二極體:串聯電阻抵消
- η-因數校正、偏移校正和二極體故障偵測
- 暫存器鎖定功能可保護重要暫存器
- I2C或SMBus™相容的兩線介面,含腳位可程式位址
- 16腳位VQFN封裝
應用
- MCU、GPU、ASIC、FPGA、DSP和CPU溫度監控
- 電信設備
- 伺服器和個人電腦
- 雲端乙太網路交換器
- 加密資料中心
- 高整合度醫療系統
- 精密儀器和測試設備
- LED照明熱控制
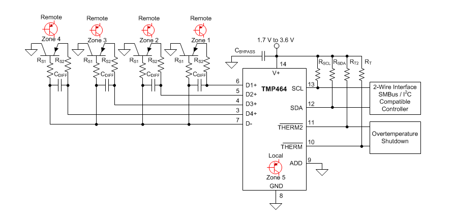
TMP464功能圖
Additional Resources
發佈日期: 2017-10-18
| 更新日期: 2023-10-27
