Texas Instruments TDES960 4.16Gbps V3Link Deserializer Quad Hub
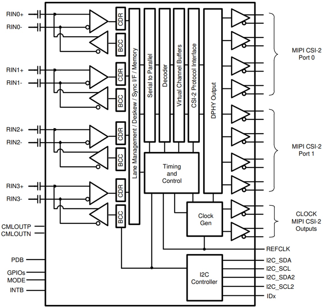
Texas Instruments TDES960 4.16Gbps V3Link Deserializer Quad Hub is a versatile sensor hub capable of connecting serialized sensor data received from four independent video data streams through a V3Link interface. When paired with a TSER953 serializer, the TDES960 receives data from sensors such as imagers supporting full HD 1080p/2MP resolution at 60Hz frame rates. Data is received and aggregated into a MIPI CSI-2 compliant output for interconnecting to a downstream processor. A second MIPI CSI-2 output port is available to provide additional bandwidth or offers a second replicated output for data-logging and parallel processing.The TDES960 includes four V3Link deserializers, each enabling a connection through cost-effective 50Ω single-ended coaxial or 100Ω differential STP cables. The receive equalizers automatically adapt to compensate for cable loss characteristics, including degradation over time. Each of the V3Link interfaces also includes a separate low latency bidirectional control channel that continuously conveys I2C, GPIOs, and other control information. General-purpose I/O signals, such as those required for camera synchronization and diagnostics features, also make use of this bidirectional control channel. The Texas Instruments TDES960 is offered in a cost-effective and space-saving 64-pin VQFN package.
Features
- Quad 4.16Gbps deserializer hub aggregates data from up to four sensors simultaneously
- Supports two-megapixel sensors with full HD 1080p resolution at 60Hz frame rate
- Device temperature range (–20℃ to +85℃ ambient operating temperature)
- Precise multi-camera synchronization
- MIPI DPHY version 1.2 / CSI-2 version 1.3 compliant
- Two × MIPI CSI-2 output ports
- Supports 1, 2, 3, 4 data lanes per CSI-2 port
- CSI-2 data rate scalable for 400Mbps / 800Mbps / 1.2Gbps /1.5Gbps / 1.6Gbps per data lane
- Port replication mode
- Ultra-low data and control path latency
- Supports single-ended coaxial including Power-over-Coax (PoC) or Shielded Twisted-Pair (STP) cable
- Adaptive receive equalization
- Dual I2C ports with fast-mode plus up to 1Mbps
- Flexible GPIOs for sensor synchronization and diagnostics
- Compatible with TSER953 serializer
- Internal programmable precision frame sync generator
- Line fault detection and advanced diagnostics
Applications
- Appliances
- Video surveillance
- Elevators and escalators
- Industrial robots
- Machine vision
- Patient monitoring and diagnostics
- Imaging
Functional Block Diagram
發佈日期: 2021-06-03
| 更新日期: 2022-03-11
