Texas Instruments MSPM0G5187 Mixed-Signal Microcontrollers (MCUs)
Texas Instruments MSPM0G5187 Mixed-Signal Microcontrollers (MCUs) are part of the MSP family of highly integrated, ultra-low-power 32-bit MCUs based on the enhanced Arm® Cortex®-M0+ 32-bit core platform, operating at up to 80MHz. These MCUs offer a blend of cost optimization and design flexibility for applications requiring up to 128KB of Flash memory in small or high-pin-count packages (up to 64 pins). These devices include an Edge AI Neural Processing Unit (NPU) accelerator, a USB 2.0-FS interface, digital audio interface, cybersecurity enablers, high-performance integrated analog, and provide excellent low-power performance across the operating temperature range.
Up to 128KB of embedded flash program memory with built-in error correction code (ECC) and up to 32KB SRAM with ECC and parity protection is provided. The flash memory is organized into two main banks to support field firmware updates, with address-swap support between the two main banks.
TI's Edge AI NPU is an integrated accelerator module that enhances fast, secure AI at the edge for sensing, processing, and control applications within the MSPM0 platform.
A USB 2.0 full-speed interface (with integrated PHY, clock source, and termination resistors) is provided to support compliant host-mode and crystal-less device-mode functionality. Four configurable serial interface modules (UNICOMM) are provided, supporting up to three UARTs, two I2C buses, or two SPI. A digital audio interface is provided for a variety of audio applications and supports multiple protocols, including I2S and TDM.
Flexible cybersecurity enablers can support secure boot, IP protection (execute-only memory), secure in-field firmware updates, key storage, and more. Hardware acceleration is provided for a variety of AES symmetric cipher modes. The cybersecurity architecture is pending Arm® PSA Level 1 certification.
A set of high-performance analog modules is provided, including a 12-bit 1.6Msps ADC that supports up to 26 external channels, two on-chip voltage references (1.4V or 2.5V), and a high-speed comparator with a built-in 8-bit reference DAC.
The TI MSPM0 family of low-power MCUs offers devices with varying degrees of analog and digital integration, enabling customers to find the MCU that meets the user's project's needs. The MSPM0 MCU platform combines the Arm Cortex-M0+ platform with a holistic ultra-low-power system architecture, allowing system designers to increase performance while reducing energy consumption.
Features
- Arm 32-bit Cortex-M0+ core CPU with memory protection unit, frequency up to 80MHz
- PSA-L1 certification targeted
- Operating characteristics
- Extended temperature: -40°C up to 125°C
- Wide supply voltage range: 1.62V to 3.6V
- Memories
- Up to 128KB of Flash memory with error correction code (ECC)
- Dual-bank with address swap for OTA updates
- 8KB data Flash bank with ECC protection
- Up to 32kB SRAM with ECC protection or hardware parity
- Up to 128KB of Flash memory with error correction code (ECC)
- High-performance analog peripherals
- One 12-bit 1.6Msps analog-to-digital converter (ADC) with up to 26 external channels
- Configurable 1.6Msps with VREF1 or 0.9Msps with VREF2
- 14-bit effective resolution at 100ksps with hardware averaging
- One high-speed comparator (COMP) with integrated 8-bit reference DAC
- 32ns propagation delay in high-speed mode
- Support low-power mode operation down to < 1µA
- Programmable analog connections between ADC and COMP
- Two voltage references (VREF)
- VREF1: Configurable 1.4V or 2.5V internal voltage reference (with external VREF cap)
- VREF2: Configurable 1.4V or 2.5V internal voltage reference (cap-less)
- Integrated temperature sensor
- One 12-bit 1.6Msps analog-to-digital converter (ADC) with up to 26 external channels
- Optimized low-power modes
- RUN: 103µA/MHz (CoreMark)
- SLEEP: 34µA/MHz
- STOP: 199µA at 4MHz
- STANDBY: 1.5µA at 32kHz with RTC and full SRAM and state retention
- SHUTDOWN: 88nA with IO wake-up capability
- Intelligent digital peripherals
- 12-channel DMA controller
- Neural-network Processing Unit (NPU)
- Highly Optimized for Deep Convolutional Neural Networks (CNN)
- Variable weights and data lengths
- 8-bit, 4-bit, and 2-bit weights
- 8-bit and 4-bit data
- 2.56GOPS (Giga Operations Per Second) at 80MHz
- Edge AI Model examples such as:
- Generic time-series classification example
- Arc fault (AFCI) example
- Motor fault example
- Electrocardiogram (ECG) example
- Four timers support up to 14 PWM channels
- Two 16-bit general-purpose timers
- One 16-bit general-purpose timer supports low-power operation in STANDBY mode
- One 16-bit advanced timer with deadband support and complementary outputs up to eight PWM channels
- One basic software timer, including four independent configurable 16-bit counters
- Ability to daisy-chain two of the 16-bit counters to form a 32-bit counter
- Ability to generate 2x interrupt-driven PWMs
- Two windowed watchdog timers (WWDT), one independent watchdog timer (IWDT)
- RTC with alarm and calendar mode
- Enhanced communication interfaces
- Four configurable serial interfaces (UNICOMM)
- Two supporting UART (LIN) or I2C (SMBus/PMBus)
- One supporting UART or SPI
- One supporting SPI interface up to 32Mbits/s
- One USB 2.0 interface supports full-speed (12-Mbps) compliant device and host mode functionality
- Crystal-less USB device operation
- Up to eight bi-directional endpoints
- One digital audio interface supporting several standardized serial interfaces to an audio device
- Transfer modes support
- Controller transmitter/receiver
- Target transmitter/receiver
- Formats support
- Standard (UM11732) I2S
- Codec LSB/MSB justified
- DSP serial interface format that supports up to eight audio channels per data pin
- PCM (short and long frame)
- TDM classic/I2S/left justified/right justified formats up to eight slots per frame
- Transfer modes support
- Four configurable serial interfaces (UNICOMM)
- Clock system
- Internal 4MHz to 32MHz oscillator (SYSOSC) with up to ±1.2% accuracy
- Phase-locked loop (PLL) up to 80MHz
- Internal 60MHz USB FLL oscillator with ±0.25% accuracy
- Internal 32kHz low-frequency oscillator (LFOSC) with ±3% accuracy
- External 4MHz to 48MHz crystal oscillator (HFXT)
- External 32kHz crystal oscillator (LFXT)
- External clock input
- Security
- AES accelerator with support for GCM/GMAC, CCM/CBC-MAC, CBC, CTR
- Secure key storage for up to four AES keys
- Flexible firewalls for protecting code and data
- Cyclic redundancy checker (CRC-16, CRC-32)
- Flexible I/O features
- Up to 59 total GPIOs
- Two 5V-tolerant open-drain IOs
- Three high-drive IOs with 20mA drive strength
- Two high-speed IOs
- Up to 59 total GPIOs
- Development support with 2-pin serial wire debug (SWD)
- Package options
- 64-pin LQFP (PM) (0.5mm pitch)
- 48-pin LQFP (PT) (0.5mm pitch)
- 48-pin VQFN (RGZ) (0.5mm pitch)
- 32-pin VQFN (RHB) (0.5mm pitch)
- 28-pin DSBGA (YCJ) (0.35mm pitch) - Preview
- 28-pin WQFN (RUY) (0.4mm pitch)
- 24-pin VQFN (RGE) (0.5mm pitch)
- 20-pin VSSOP (DGS) (0.5mm pitch)
- Family members include the MSPM0G5187 with 128KB Flash, 32KB RAM, and Edge AI NPU
- Development kits and software
- LP-MSPM0G5187 LaunchPad™ development kit
- MSPM0 Software Development Kit (SDK)
Applications
- Home appliances
- Medical and healthcare
- Building automation
- Grid infrastructure
- Mobile phones
- Wearables
- PC keyboard and mouse
- E-cigarettes
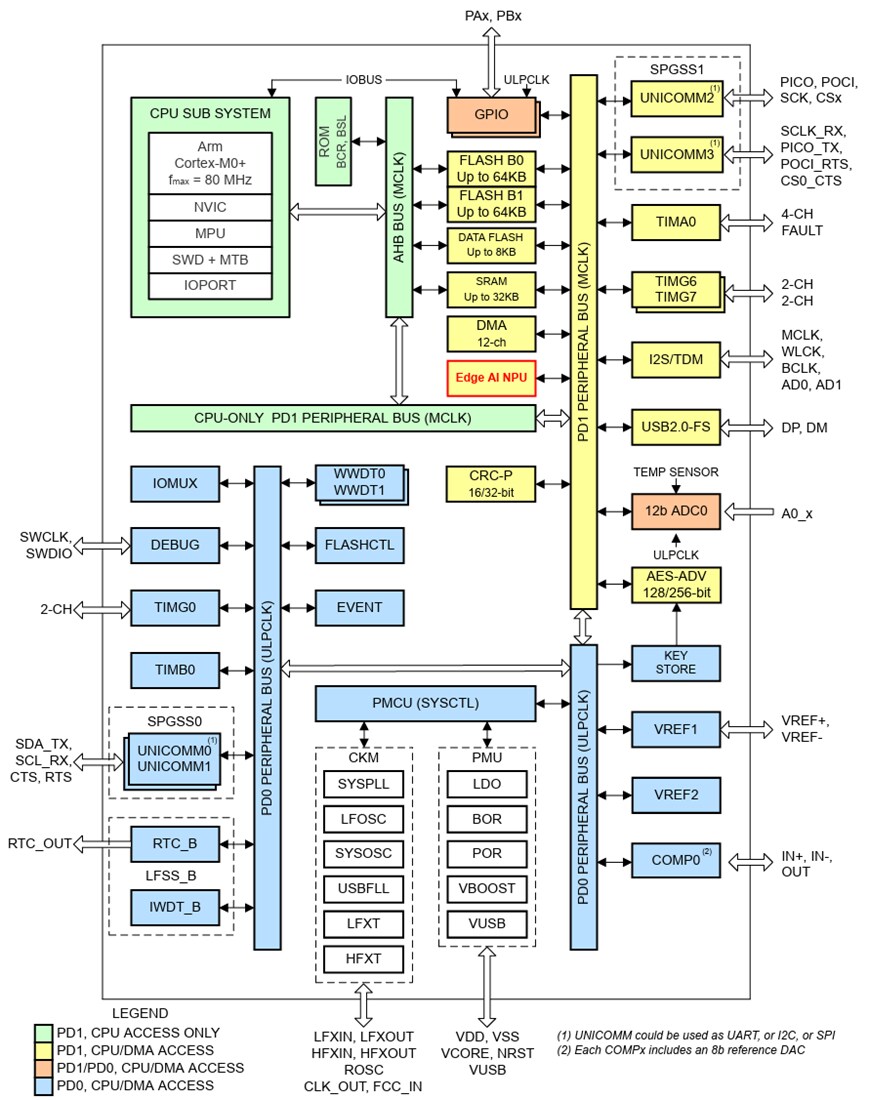
Functional Block Diagram
