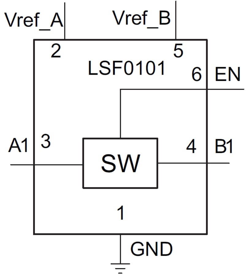
Texas Instruments LSF010x/LSF010x-Q1 Level Translators
Texas Instruments LSF010x/LSF010x-Q1 Level Translators support bidirectional voltage translation without needing a DIR pin which minimizes system effort (for PMBus, I2C, SMBus, etc.). The LSF010x/LSF010x-Q1 supports up to 100MHz up translation and greater than 100MHz down translation at ≤30pF capacitive load. Additionally, these devices support up to 40MHz up/down translation at 50pF capacitance load. These features enable the device to support more consumer or telecom interfaces (MDIO or SDIO).The LSF010x/LSF010x-Q1 supports 5V tolerance on the I/O port, which makes it compatible with TTL levels in industrial and telecom applications. The LSF010x/LSF010x-Q1 can set up different voltage translation levels on each channel, which makes it very flexible. The Texas Instruments LSF010x-Q1 devices are AEC-Q100 qualified for automotive applications.
Features
- Provides bidirectional voltage translation with no direction pin
- Supports up to 100MHz up translation and greater than 100MHz down translation at ≤ 30pF capacitive load and up to 40MHz up/down translation at 50pF capacitive load
- Allows bidirectional voltage-level translation between
- 0.95V ↔ 1.8/2.5/3.3/5V
- 1.2V ↔ 1.8/2.5/3.3/5V
- 1.8V ↔ 2.5/3.3/5V
- 2.5V ↔ 3.3/5V
- 3.3V ↔ 5V
- Low standby current
- 5V tolerance I/O port to support TTL
- Low RON provides less signal distortion
- High-impedance I/O pins for EN = Low
- Flow-through pinout for easy PCB trace routing
- Latch-up performance >100 mA per JESD 17
- –40°C to 125°C Operating temperature range
Applications
- GPIO, MDIO, PMBus, SMBus, SDIO, UART, I2C, and other interfaces in telecom infrastructure
- Enterprise Systems
- Communications Equipment
- Personal Electronics
- Industrial Applications
Datasheets
發佈日期: 2018-06-28
| 更新日期: 2024-11-07
