Texas Instruments LP8864-Q1 High-Efficiency LED Driver

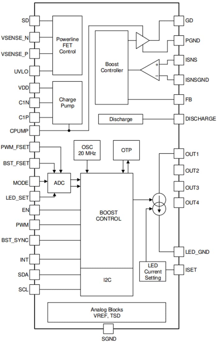
Texas Instruments LP8864-Q1 High-Efficiency LED Driver comes with a boost controller. The four high-precision current sinks support phase shifting that is automatically adjusted based on the number of channels used. LED brightness can be controlled globally through the I2C interface or PWM input. The boost controller has adaptive output voltage control based on the headroom voltages of the LED current sinks. This feature minimizes power consumption by adjusting the boost voltage to the lowest sufficient level in all conditions. A wide-range adjustable frequency allows the LP8864-Q1 to avoid disturbance from the AM radio band. The Texas Instruments LP8864-Q1 supports built-in hybrid PWM dimming and analog current dimming, which reduces EMI, extends the LED lifetime, and increases the total optical efficiency.

Features

  • AEC-Q100 qualified for automotive applications
    • –40°C to +125°C, TA device temperature grade 1
    • Device HBM ESD classification level 2
    • Device CDM ESD classification level C4B
  • Input voltage operating range 3V to 48V
  • Four high-precision current sinks
    • Up to 200mA DC current for each current sink
    • Current matching 1% (typical)
    • Dimming ratio 32 000:1 using 152Hz LED output PWM frequency
    • Up to 16-bit LED dimming resolution with I2C or PWM input
    • 8 Configurable LED strings configuration
  • Auto-phase shift PWM dimming
  • 12-bit analog dimming
  • Up to 48V VOUT boost or SEPIC DC-DC controller
    • Switching frequency 100kHz to 2.2MHz
    • Boost spread spectrum for reduced EMI
    • Boost sync input to set boost switching frequency from an external clock
    • Output voltage automatically discharged when boost is disabled
  • Extensive fault diagnostics

Applications

  • Backlight for
    • Automotive infotainment
    • Automotive instrument clusters
    • Smart mirrors
    • Heads-up displays (HUD)

Functional Block Diagram

Block Diagram - Texas Instruments LP8864-Q1 High-Efficiency LED Driver
發佈日期: 2020-11-02 | 更新日期: 2025-02-27