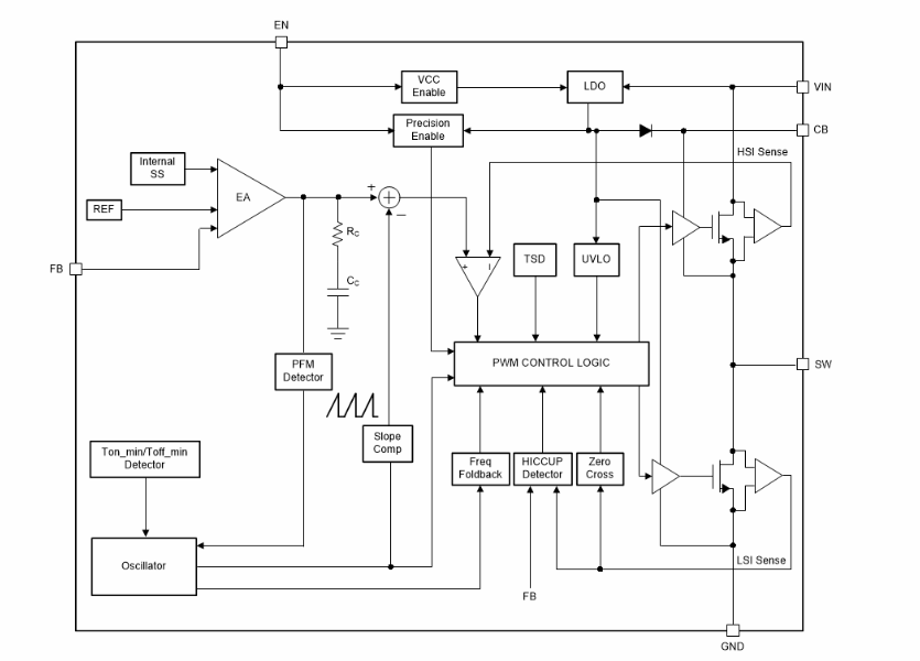
TI LMR51430降壓轉換器提供PFM版本,可在輕負載下實現高效率,還有FPWM版本,可在整個負載範圍內實現恆定頻率和小輸出電壓漣波。裝置僅需最少的外部元件,內建軟啟動與補償電路。此外,LMR51430內建保護功能,包括逐週期電流限制、Hiccup模式、短路保護,以及功耗過大時的過熱關機。
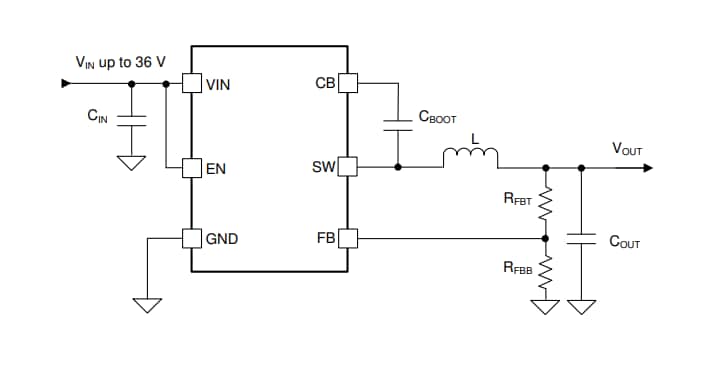
LMR51430採用6腳位SOT-23封裝。
特點
- 具功能安全性
- 提供可協助設計功能安全系統的文件
- 專為嚴苛工業應用所設計
- 輸入電壓範圍:4.5V至36V
- 連續輸出電流:3A
- 最短切換導通時間:70 ns
- 固定切換頻率選項:500 kHz和1.1 MHz
- 接面溫度範圍:-40°C至150°C
- 最高工作週期為98%
- 啟動含預偏壓輸出
- 內部短路保護具備Hiccup模式
應用
- 家電
- 大樓自動化
- 馬達驅動器
- 通用型寬VIN電源供應器
簡化配置圖
方塊圖
效率與輸出電流
發佈日期: 2022-07-25
| 更新日期: 2022-11-17

