Texas Instruments ISO5451/ISO5451-Q1 Isolated IGBT/MOSFET Gate Driver

Texas Instruments ISO5451/ISO5451-Q1隔離
IGBT/MOSFET閘極驅動器

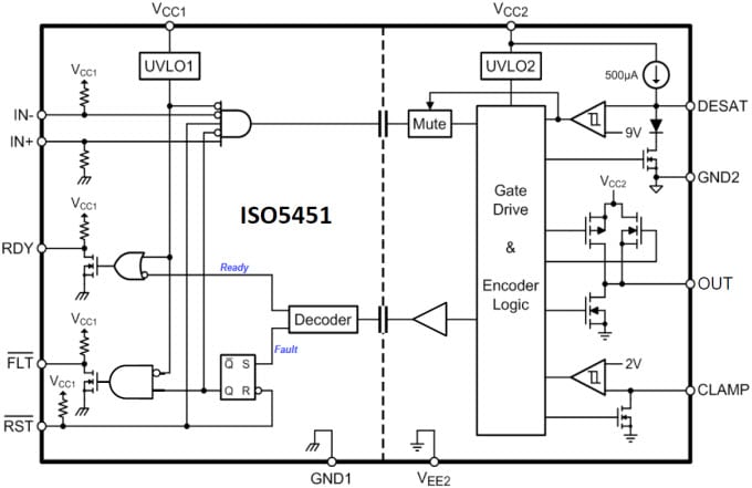
Texas Instruments ISO5451/ISO5451-Q1隔離IGBT/MOSFET閘極驅動器是一款適用於IGBT和MOSFET的4.25kVRMS基本型隔離閘極驅動器,具備2.5A源極和5A汲極電流。輸入端可用3V至5.5V的單一供電運作,輸出端可供應15V(最小)至30V(最大)的電壓範圍。兩個輔助CMOS輸入用於控制閘極驅動器的輸出狀態。極短的76ns傳播時間能確保準確控制輸出級。內部的去飽和故障偵測可判別IGBT是否為過載狀態。去飽合啟動時,故障訊號會穿越隔離障礙傳送,拉低輸入端的FLT輸出,並阻擋隔離器輸入。FLT輸出狀態會鎖住,接著可用RST輸入的低作用脈衝重置。運作的閘極驅動器是否準備就緒,將由監控輸入端與輸出供應端的兩個欠壓鎖定電路進行控制。假如任一端供電不足,RDY輸出便會降低,正常時輸出維持較高。ISO5451-Q1裝置符合AEC-Q100汽車應用標準。

產品特色
  • 2.5A尖峰源極電流和5A尖峰汲極電流
  • 短傳播延遲:76ns(典型值),110ns(最大值)
  • 2A主動式米勒箝位
  • 輸出短路箝位
  • 去飽和偵測的故障警報透過FLT傳送,並透過RST重置
  • 輸入與輸出欠壓鎖定(UVLO),Ready (RDY)腳位顯示
  • 低供電或浮動輸入時,主動式輸出下拉和預設低輸出
  • 3V至5.5V輸入供應電壓
  • 15V至30V輸出驅動器供應電壓
  • CMOS相容輸入
  • 20ns內抑制輸入脈衝和雜訊瞬態
  • 50kV/µs最小值和100kV/µs典型值
  • VCM = 1500V下具備共模瞬態抗擾性(CMTI)
  • 作業溫度:-40°C至125°C環境溫度

  • 安全和法規認證
    • 6000VPK VIOTM和1420VPK VIORM基本隔離,符合DIN V VDE V 0884-10 (VDE V 0884-10):2006-12標準
    • 4250VRMS隔離可達1分鐘,符合UL 1577標準
    • CSA元件認可通知5A、IEC 60950-1和IEC 61010-1終端設備標準
    • 符合GB4943.1-2011標準,取得CQC認證
    • 計劃完成所有認證

  • 應用
    • 隔離IGBT和MOSFET驅動器適用以下設備:
      • 工業馬達控制驅動器
      • 工業電源供應器
      • 太陽能逆變器
      • HEV與EV功率模組
      • 感應加熱

ISO5851EVM評估模組(EVM)

Texas Instruments ISO5851EVM評估模組(EVM)搭載ISO5851加強隔離閘極驅動器裝置,可讓設計人員用於評估裝置的AC和DC效能。評估模組已預先設定好1nF負載,也可由使用者自行安裝TO-247或TO-220標準封裝的IGBT。ISO5851為5.7kVRMS的加強隔離IGBT閘極驅動器,具備2.5A源極和5A汲極電流,其初級端可用3V至5.5V的單一供電運作,輸出端可供應最小15V至最大30V的電壓範圍。

產品特色
  • 具備2.5A源極和5A汲極電流、5.7kVRMS的加強隔離IGBT閘極驅動器
  • 傳播時間極短,能確保準確控制輸出級
  • 初級端可用3V至5.5V的單一供電運作
  • 輸出端可供應最小15V至最大30V的電壓範圍
  • 2A米勒箝位
  • 輸出短路箝位

  • 去飽和故障警報
  • 輸入與輸出欠壓鎖定,Ready腳位顯示
  • 主動式輸出下拉和預設低輸出狀態
  • DESAT時偵測閘極驅動器的低供電或浮動輸入
  • CMOS相容輸入

功能方塊圖
Functional Block Diagram
eNews
  • Texas Instruments
發佈日期: 2015-09-15 | 更新日期: 2025-06-06