Texas Instruments DSLVDS1048 LVDS Differential Line Receiver

Texas Instruments DSLVDS1048 LVDS High-Speed Differential Line Receiver is designed for applications requiring ultra-low power dissipation and high data rates. The device is designed to support data rates in excess of 400Mbps (200MHz) using Low Voltage Differential Signaling (LVDS) technology. The DSLVDS1048 accepts low voltage (350mV typical) differential input signals and translates them to 3V CMOS output levels. The receiver supports a TRI-STATE function that may be used to multiplex outputs. The receiver also supports open, shorted, and terminated (100Ω) input fail-safe. The receiver output is HIGH for all fail-safe conditions. The DSLVDS1048 has a flow-through pinout for an easy PCB layout.

Features

  • Designed for signal rates up to 400Mbps
  • Flow-through pinout simplifies PCB layout
  • 150ps Channel-to-channel skew (Typical)
  • 100ps Differential skew (Typical)
  • 2.7ns Maximum propagation delay
  • 3.3V Power supply design
  • High impedance LVDS inputs on power down
  • Low power design (40mW at 3.3V static)
  • Interoperable with existing 5V LVDS drivers
  • Accepts small swing (350mV Typical) differential signal levels
  • Supports input failsafe
    • Open, short, and terminated
  • 0V to -100mV Threshold region
  • –40°C to +85°C Operating temperature range
  • Meets or exceeds ANSI/TIA/EIA-644 standard
  • Available in the TSSOP package

Applications

  • Multifunction printers
  • Board-to-board communication
  • Test and measurement
  • Printers
  • Data Center interconnect
  • Lab instrumentation
  • Ultrasound scanners

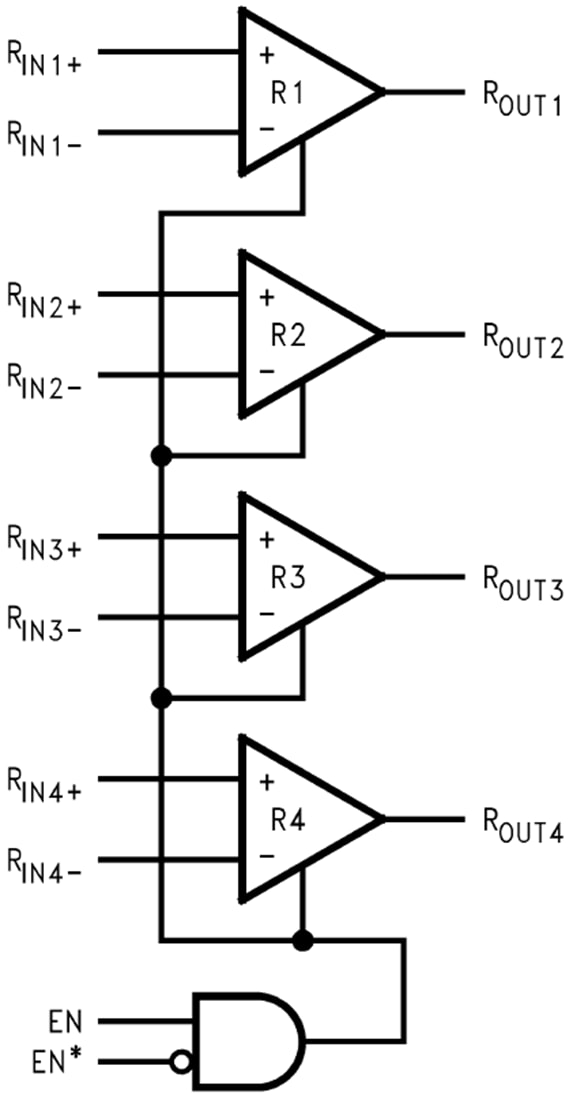
Functional Block Diagram

Block Diagram - Texas Instruments DSLVDS1048 LVDS Differential Line Receiver
發佈日期: 2018-10-12 | 更新日期: 2023-07-07