Texas Instruments DS250DF230 Dual-Channel Multi-Rate Retimer
Texas Instruments DS250DF230 Dual-Channel Multi-Rate Retimer is used to extend the reach and robustness of long, lossy, crosstalk-impaired high-speed serial links while achieving a bit error rate (BER) of 10–15 or less. Each channel of the DS250DF230 independently locks to serial data rates in a continuous range from 19.6Gbps to 25.8Gbps. It also supports sub-rates (÷2 and ÷4), including critical data rates such as 12.16512Gbps, 9.8304Gbps, and 6.144Gbps. The Texas Instruments DS250DF230 has a single power supply and minimal need for external components. These features reduce PCB routing complexity and BOM cost.Features
- Dual-channel multi-rate retimer with integrated signal conditioning
- All channels lock independently from 19.6 to 25.8Gbps (including sub-rates, such as 12.16512Gbps, 9.8304Gbps, 6.144Gbps, and more)
- Ultra-low latency: < 500ps typical for 25.78125Gbps data rate
- Adaptive Continuous Time Linear Equalizer (CTLE)
- Continuous adaptive Decision Feedback Equalizer (DFE), capable of compensating large channel loss variation over temperature
- Combined equalization supporting 35dB channel loss at 12.9GHz
- On-chip Eye-Opening Monitor (EOM), PRBS pattern checker, and generator
- Low-jitter transmitter with 3-tap FIR filter
- Integrated 2x2 crosspoint
- Recovered clock available for system clock synchronization applications on channel 0
- Single power supply, no low-jitter reference clock required
- Wide stay-in-lock temperature range
Applications
- Jitter cleaning for front-port optical interface in wireless and wired systems
- Backplane/mid-plane reach extension
- Active cable assemblies
- 802.3bj 100GbE, InfiniBand EDR, and OIF-CEI-25G-LR/MR/SR/VSR electrical interfaces
- SFP28, QSFP28, CFP2/CFP4, CDFP
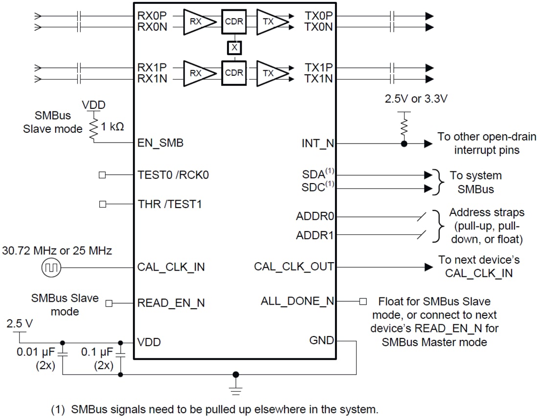
Simplified Schematic
發佈日期: 2019-02-27
| 更新日期: 2023-07-24
