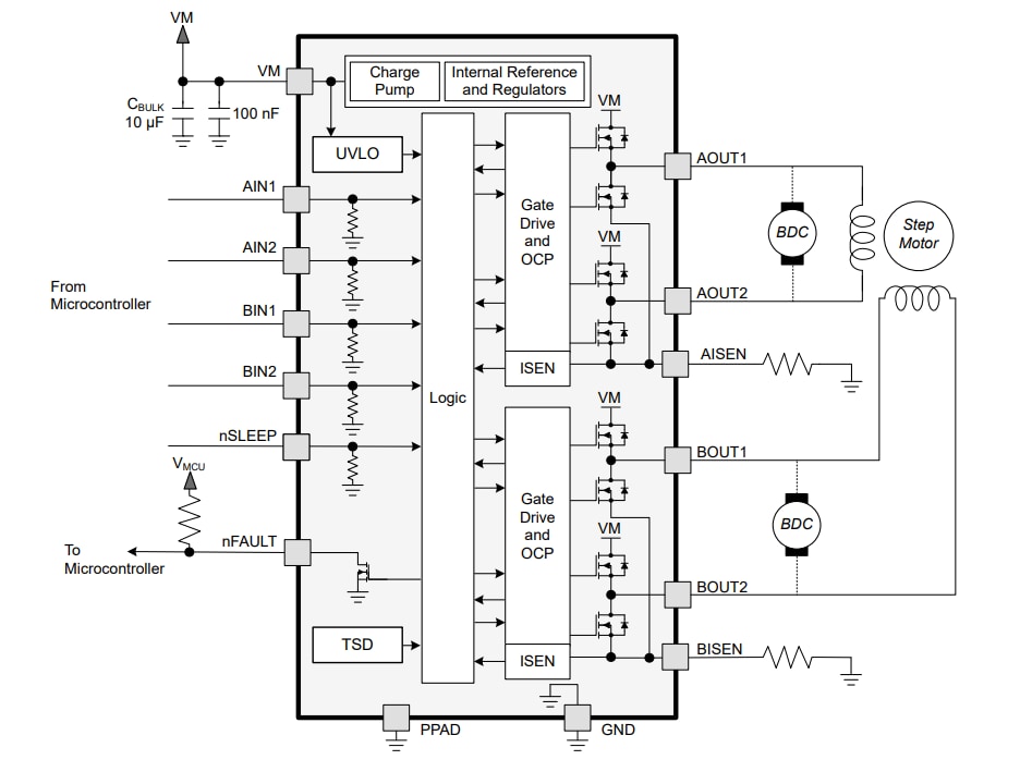
Texas Instruments DRV8411 Dual H-Bridge Motor Driver
Texas Instruments DRV8411 Dual H-Bridge Motor Driver manages one or two DC brush motors, one stepper motor, solenoids, or other inductive loads. The triple charge pump permits the device to operate down to 1.65V to adapt to 1.8V supply rails and low-battery conditions. The charge pump integrates all capacitors and enables 100% duty cycle operation. The inputs and outputs can be paralleled to drive high-current brush DC motors with half the RDS(ON).The TI DRV8411 motor driver implements current regulation by comparing an internal reference voltage to the voltage on the xISEN pins, which is proportional to the motor current through an external sense resistor. Limiting current can significantly reduce large currents during motor startup and stall conditions. A low-power sleep mode accomplishes ultra-low quiescent current draw by shutting down most of the internal circuitry.
Internal protection features include undervoltage, overcurrent, and overtemperature. The DRV8411 is part of a family of devices that come in pin-to-pin, scalable RDS(ON) options to support various loads with minimal design changes.
Features
- Dual H-bridge motor driver, can drive -
- One bipolar stepper motor
- One or two brushed DC motors
- Solenoids and other inductive loads
- HS + LS = 400mΩ (Typical, 25°C) Low ON-resistance
- Wide power supply voltage range from 1.65V to 11V
- Pin-to-pin compatible with -
- DRV8833 with 360mΩ/bridge
- DRV8833C with 1735mΩ/bridge
- DRV8847 with 1000mΩ/bridge
- DRV8410 with 800mΩ/bridge
- DRV8411A with 400mΩ/bridge
- 4A Peak high output current capability
- PWM control interface
- Supports 1.8V, 3.3V, and 5V logic inputs
- Integrated current regulation
- Low-power sleep mode
- ≤40nA at VVM = 5V, TJ = 25°C
- Small package and footprint
- 16-pin HTSSOP with PowerPAD™, 5.0mm x 4.4mm
- 16-Pin WQFN with PowerPAD™, 3.0mm x 3.0mm
- Integrated protection features
- VM undervoltage lockout (UVLO)
- Auto-retry overcurrent protection (OCP)
- Thermal shutdown (TSD)
- Fault Indication Pin (nFAULT)
Applications
- Battery-powered toys
- POS Printers
- Video security cameras
- Office automation machines
- Gaming machines
- Robotics
- Electronic smart locks
- General-purpose solenoid loads
Simplified Schematic
Block Diagram
發佈日期: 2022-12-19
| 更新日期: 2023-03-14
