Texas Instruments DRV8212P H-Bridge Motor Driver

Texas Instruments DRV8212P 12V, 3A H-Bridge Motor Driver provides PWM control with low power sleep mode, optimized for systems with lower current requirements. The DRV8212P Motor Driver is integrated with four N-channel power FETs, a charge pump regulator, and protection circuitry. The triple charge pump architecture allows the device to operate down to 1.65V to accommodate 1.8V supply rails and low-battery conditions. The charge pump integrates all capacitors to reduce the overall solution size of the motor driver on a PCB and allows for 100% duty cycle operation.

The TI DRV8212P supports an industry-standard PWM (IN1/IN2) control interface. The nSLEEP pin controls a low-power sleep mode which achieves ultra-low quiescent current draw by disabling the internal circuitry. The device supplies up to 4A peak output current and operates with a supply voltage from 1.65V to 5.5V.

Robust internal protection features are available on the DRV8212P, including supply under-voltage lockout (UVLO), output overcurrent (OCP), and device overtemperature (TSD).

The DRV8212P is part of a family of devices that come in pin-to-pin scalable RDS(on) and supply voltage options to support various loads and supply rails with minimal design changes. This family of devices includes DRV8210, DRV8210P, DRV8212, DRV8212P, and DRV8220.

Features

  • N-channel H-bridge motor driver
    • MOSFET on-resistance: HS + LS 280mΩ
    • Drives one bidirectional brushed DC motor
    • One single- or dual-coil latching relay
  • 1.65V to 11V operating supply voltage range
  • 4A Peak high output current capability
  • Standard PWM Interface (IN1/IN2)
  • Supports 1.8V, 3.3V, and 5V logic inputs
  • Ultra-low-power sleep mode
    • <84.5nA @ VVM = 5V, VVCC = 3.3V, TJ = 25°C
    • Pin-to-pin with DRV8837 & DRV8837C
  • Protection features
    • Undervoltage lockout (UVLO)
    • Overcurrent protection (OCP)
    • Thermal shutdown (TSD)
  • Family of devices
    • DRV8210: 1.65V-11V, 1Ω, multiple interfaces
    • DRV8210P: Sleep pin, PWM interface
    • DRV8212: 1.65V-11V, 280mΩ, multiple interfaces
    • DRV8212P: Sleep pin, PWM interface
    • DRV8220: 4.5V-18V, 1Ω, multiple interfaces

Applications

  • Brushed DC motor, solenoid, & relay driving
  • Water, gas, & electricity meters
  • IP network camera IR cut filter
  • Video doorbell
  • Machine vision camera
  • Electronic smart lock
  • Electronic and robotic toys
  • Blood pressure monitors
  • Infusion pumps
  • Electric toothbrush
  • Beauty & grooming

Simplified Schematic

Schematic - Texas Instruments DRV8212P H-Bridge Motor Driver

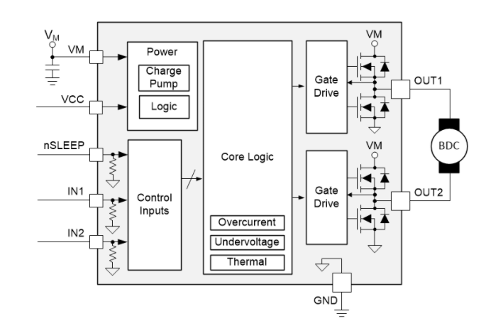
Block Diagram

Block Diagram - Texas Instruments DRV8212P H-Bridge Motor Driver
發佈日期: 2021-07-12 | 更新日期: 2022-03-11