Texas Instruments bq2510x Single Cell Li-On Battery Charger ICs

Texas Instruments bq2510x單電池芯鋰離子
電池充電器IC

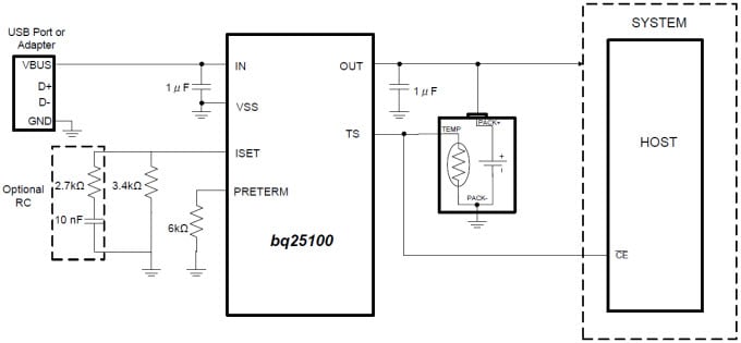
Texas Instruments bq2510x單電池芯鋰離子電池充電器IC,與鋰離子/鋰聚合物線性充電器的整合性極佳,適用於空間有限的可攜式應用裝置。具高輸入電壓範圍的特性,並內建過電壓保護功能,可用於低成本、未經過穩壓的配接器。bq2510x具備單一電源輸出功能,可為電池充電。只要平均系統負載可在安全充電時間 (10小時) 內讓電池充飽電,即可讓系統負載與電池同步配置。電池充電時分以下三種階段:調節、恆定電流及恆定電壓。在所有的充電階段中,內部控制迴圈會監控IC接點溫度;如果超過內部溫度閾值,充電電流就會降低。充電器功率級與充電電流感應功能已全面整合。充電器具備高準確性的電流/電壓調節迴路和充電終止功能。可透過bq2510x的外部電阻器,調整預充電電流與終止電流閾值。此外,還能透過外部電阻器調整快速充電電流數值。

產品特色

充電
  • 1%充電電壓準確性
  • 10%充電電流準確性
  • 適用於極低充電電流的應用裝置 - 10mA至250mA
  • 1mA的充電結束電流
  • 超低電池輸出漏電流 - 最大75nA
  • 可調整結束與預充電閾值
  • 高電壓化學支援:bq25100H/01H為4.35V、bq25100A為4.30V
保護
  • 30V額定輸入;含6.5V輸入過電壓保護
  • 輸入電壓動態電壓管理
  • 125°C過熱調節;150°C過熱關機保護
  • OUT短路保護與ISET短路偵測
  • 透過電池NTC在JEITA範圍內運作 - 低溫時為1/2快速充電電流4.06V (bq25100/01);高溫時為4.2V (bq25100H/01H)
  • 固定10小時安全充電時間


系統
  • 自動終止與計時器停用模式 (TTDM),可供無電池時使用
  • 提供1.60mm × 0.90mm DSBGA小尺寸封裝

應用
  • 健身配件
  • 智慧型手錶
  • Bluetooth®耳機
  • 低功率手持裝置
典型應用
Typical Application
eNews
  • Texas Instruments
發佈日期: 2014-10-03 | 更新日期: 2022-03-11