Texas Instruments ADC31RF80 Wideband Receiver & Feedback ICs
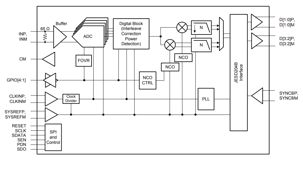
Texas Instruments ADC31RF80 14-Bit, 3GSPS, RF-Sampling Wideband Receiver and Feedback ICs support RF sampling with input frequencies up to 4GHz and further. The ADC31RF80 is designed for a high signal-to-noise ratio (SNR) and delivers a noise spectral density of –155dBFS/Hz as well as a dynamic range over a large input frequency range. A uniform input impedance across a wide frequency range is allowed by the buffered analog input with on-chip termination, minimizing sample-and-hold glitch energy. A dual-band, digital down-converter (DDC) with up to three independent, 16-bit numerically-controlled oscillators (NCOs) per DDC is included on the device for phase-coherent frequency hopping. The JESD204B serial interface with subclass 1-based deterministic latency is supported using data rates up to 12.5Gbps with up to four lanes. The TI ADC31RF80 has an industrial temperature range of (–40°C to +85°C).Features
- 14-Bit, 3GSPS ADC
- Noise Floor: –155dBFS/Hz
- RF Input Supports Up To 4.0GHz
- Aperture Jitter: 90fS
- Spectral Performance (fIN = 900MHz, –2dBFS):
- SNR: 61.4dBFS
- SFDR: 71dBc HD2, HD3
- SFDR: 76dBc Worst Spur
- Spectral Performance (fIN = 1.85GHz, –2dBFS):
- SNR: 58.5dBFS
- SFDR: 65dBc HD2, HD3
- SFDR: 75dBc Worst Spur
- On-Chip Digital Down-Converters:
- Up to 2 DDCs (Dual-Band Mode)
- Up to 3 Independent NCOs per DDC
- On-Chip Input Clamp for Overvoltage Protection
- Programmable On-Chip Power Detectors With Alarm Pins for AGC Support
- On-Chip Dither
- On-Chip Input Termination
- Input Full-Scale: 1.35VPP
- Support for Multi-Chip Synchronization
- JESD204B Interface:
- Subclass 1-Based Deterministic Latency
- 4 Lanes Support at 12.5Gbps
- Total Power Dissipation: 3.2W at 3.0GSPS
- 72-Pin VQFN Package (10mm × 10mm)
Applications
- Multi-carrier GSM cellular infrastructure base stations
- Telecommunications receivers
- DPD Observation receivers
- Backhaul receivers
- RF Repeaters and distributed antenna systems
Block Diagram
發佈日期: 2018-07-18
| 更新日期: 2023-01-03
