TDK InvenSense ICU-30201超音波飛行時間測距感測器
TDK InvenSense ICU-30201超音波飛行時間測距感測器是專為超長距離應用所設計的高效能、超小型解決方案。TDK InvenSense ICU-30201測量的距離從30cm到9.5m,精確度高達毫米,不受光線條件或目標透明度的影響。此感測器擁有高達180°的客製化視野,支援多物體偵測,並以超低功耗運作,延長電池使用壽命。此感測器整合了53kHz壓電式微機械超音波感測器 (PMUT) 和第二代超低功耗系統單晶片 (SoC),並採用微型、可回流焊封裝。ICU-30201是智慧居家、建築自動化、機器人和障礙物迴避的理想選擇,可在各種環境中增強情境感知能力和可靠性。特點
- 快速準確的測距
- 40MHz整合CPU可實現片上演算法,包括測距、人體存在和喚醒方式
- 操作範圍:30cm至9.5m
- 人體存在偵測:高達7m
- 針對長距離或短距離感測應用最佳化的可程式模式
- 可自訂視野 (FoV):高達180°
- 多目標偵測
- 可在任何光照條件下運作,從充足的陽光到完全黑暗
- 不受物體色彩影響,可偵測光學透明表面(玻璃、透明塑膠等)
- 低電源電流
- 每秒測量一次,電流為30µA(最大範圍9m)
- 每秒11次測量,電流為243µA(最大範圍9m)
- 易於整合
- 單一底部連接埠,用於接收與傳輸
- 1.8V或3.3V I/O電壓
- 低功率1.8V核心工作電壓
- 13MHz SPI介面,允許基頻資料以全測量速率流出
- 可選32kHz參考時脈輸入
- 兩個可程式開路I/O,用於觸發感測器或喚醒主機
- 獨立於平台的軟體驅動器,可實現一站式測距
- 迷你整合封裝
- 5.17mm x 2.68mm x 0.9mm、13腳位LGA
- 相容於標準SMD回流
- 操作溫度範圍:-40°C至+85°C
應用
- 智慧家居、智慧建築及節能
- 智慧照明
- 家用電器
- 室內安防攝影機
- 存在偵測(LCD電視、筆記型電腦)
- 智慧型揚聲器與會議室裝置
- 具有接近喚醒功能的智慧門鎖
規格
- 類比/數位電源範圍:1.71V至1.89V
- I/O電源範圍:1.71V至3.63V
- 操作頻率範圍:45kHz至60kHz
- 可配置視野:高達180°
- 最大閂鎖:±100mA
- 最大連續輸入電流:±20mA,任何腳位
- 典型電流消耗範圍:17μA至395μA
- 最大閒置電流:18μA,典型值9μA
- 典型程式編寫時間:5ms
- 輸入電容:<10pF
- 靜電放電 (ESD) 額定值
- 人體模型 (HBM):±2kV
- 帶電裝置模型 (CDM):±500V
- 操作溫度範圍:-40°C至+85°C
- 最大回流焊溫度:+260°C
腳位輸出與說明
簡化方塊圖
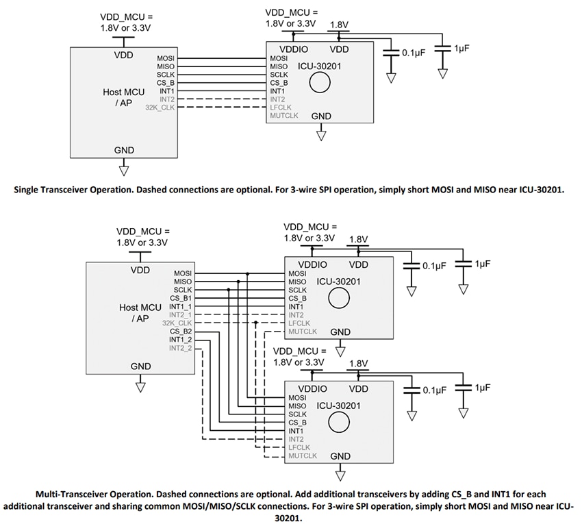
典型操作電路
尺寸
發佈日期: 2025-04-24
| 更新日期: 2025-05-29
