|
|
TDK-Lambda i6A系列非隔離式直流對直流轉換器TDK-Lambda i6A系列非隔離式直流對直流轉換器採用1/16磚外形,具有250W 14A輸出電流。該轉換器具有3.3V至24V可調寬輸出電壓範圍,所需外部組件數極少。TDK-Lambda i6A系列可用於工業、測試、通信及廣播應用。 |
|
|
特點
應用
|
|
|
| |
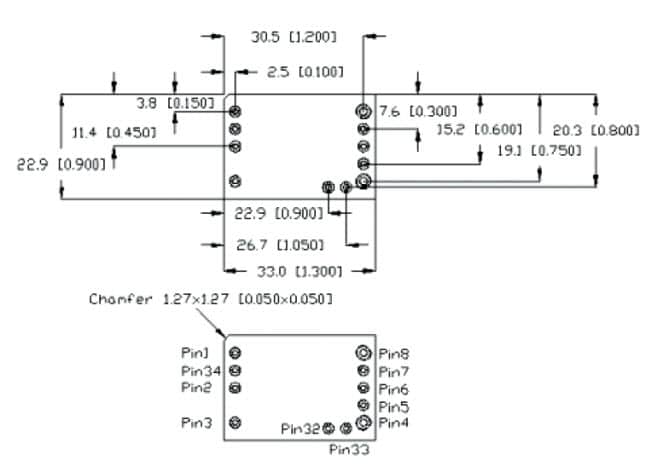
外形圖
|
|
結構圖 ![]() | |
| TDK Lambda I6A20A-001-EVK-S1CC 評估板安裝了i6A4W模組,設置為恆流操作。 | ![]() |
發佈日期: 2015-11-11
| 更新日期: 2026-02-02


