Taoglas FW.79.SMA.A Meteor Flexible Monopole Antenna

Taoglas FW.79.SMA.A Meteor Flexible Monopole Antenna is engineered for ISM, NB-IoT, LTE-M, and LoRa applications across the 700MHz to 930MHz frequency range. This high-performance, compact monopole antenna offers peak gains up to 3.25dBi with high efficiency, enabling reliable long-range wireless connectivity in space-constrained devices. Encased in a rugged overmolded polyurethane housing, the Meteor antenna is IP67-rated for protection from dust, water, and harsh environmental conditions for both indoor and outdoor applications. The compact 90mm x 15.5mm form factor and SMA(M) connector support easy integration into gateways, routers, modems, and sensor systems. The flexible and durable whip design resists vibration and impact, making the Taoglas FW.79.SMA.A antenna ideal for field-deployed IoT and M2M applications.

Features

  • Covers 700MHz to 930MHz
  • IP67 waterproof enclosure
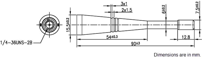
  • Ø15.5mm x 90mm dimensions
  • SMA(M) connector
  • RoHS and REACH compliant

Applications

  • Smart metering and utilities (water, gas, and electricity)
  • Industrial telemetry and SCADA systems
  • Smart agriculture (soil and irrigation monitoring)
  • Smart city infrastructure (lighting, parking, waste, and air quality)
  • Asset tracking and logistics (trailers, containers, and bins)

Mechanical Drawing

Mechanical Drawing - Taoglas FW.79.SMA.A Meteor Flexible Monopole Antenna
發佈日期: 2026-02-02 | 更新日期: 2026-02-05