Taiwan Semiconductor TS432 Adjustable Precision Shunt Regulators
Taiwan Semiconductor TS432 Adjustable Precision Shunt Regulators provide a typical output impedance of 0.05Ω and feature specified thermal stability. The three-terminal adjustable TS432 shunt regulator supplies an output voltage that can be set to any value between VREF (approximately 1.24V) and 18V with two external resistors. The Taiwan TS432 adjustable precision shunt regulators have active output circuitry with a very sharp turn-on characteristic, ideal for replacing zener diodes in applications.Features
- Precision reference voltage
- TS432A – 1.24V ±1%
- TS432B – 1.24V ±0.5%
- 20µA (typ.) Minimum cathode current for regulation
- 50ppm/ºC Equivalent full range temp. coefficient
- Programmable output voltage up to 18V
- Fast turn-on response
- Sink current capability of 80µA to 100mA
- 0.05Ω Low dynamic output impedance
- Low output noise
- Halogen-free available
Applications
- Voltage monitor
- Delay timer
- Constant–current source/sink
- High-current shunt regulator
- Crowbar
- Over-voltage / under-voltage protection
Specifications
- 18V Cathode Voltage
- 100mA Continuous cathode current range
- 3mA Reference input current range
- 0.35W Power dissipation
- +150 Junction temperature
- 0°C to +70°C Operation temperature range
- -65°C to +150°C Storage temperature range
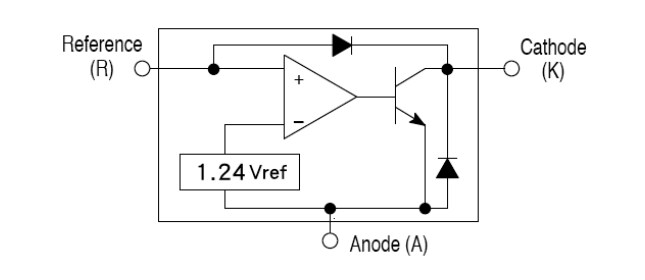
Block Diagram
發佈日期: 2023-06-01
| 更新日期: 2023-06-06
