STMicroelectronics STWLC38 Qi-Compliant Dual Wireless Power Receiver

STMicroelectronics STWLC38 Qi-Compliant Dual Wireless Power Receiver is engineered for wearable/hearable and smartphone applications. The chip supports Qi 1.3 specifications for the inductive communication protocol, 5W baseline power profile, and 15W extended power profile.

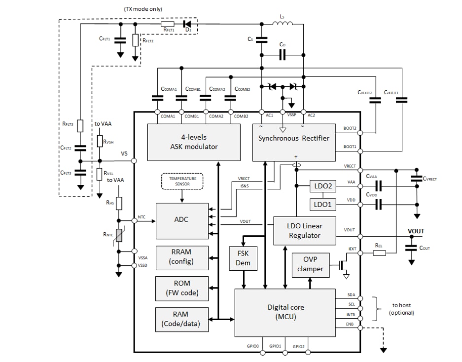
The STMicro STWLC38 receiver implements an excellent efficiency performance via the integrated low-loss synchronous rectifier and the low drop-out linear regulator. The digital core dynamically manages these elements to minimize the overall power dissipation over a wide range of output load conditions.

Utilizing the I2C interface, users can access and modify different configuration parameters, conforming the operation of the device to the requirements of custom applications. The configuration parameters can be saved in the embedded Resistive RAM (RRAM) and automatically retrieved at power-up. The STWLC38 can also operate in Tx mode to transmit up to 5W power to charge other devices.

The STWLC38 is enclosed in a chip-scale package to fit real-estate-sensitive solutions in wearable devices.

Features

  • Up to 15W output power
  • Up to 5W output power in Tx mode
  • Qi 1.3 inductive wireless standard communication protocol compliant
  • High efficiency (98% typical) synchronous rectifier operating up to 800kHz
  • Low drop-out linear regulator with output current limit and input voltage control loop
  • Adaptive Rectifier Configuration (ARC) Mode for enhanced spatial freedom
  • 4V to 12V programmable output voltage
  • Above 85% overall system efficiency
  • 32-bit, 64MHz ARM Cortex M0+ core with 32kB RRAM,16kB SRAM,64kB ROM
  • 10-bit A/D Converter
  • Configurable GPIOs
  • I2C Slave interface
  • Multi-level ASK modulator, Enhanced FSK demodulator
  • Output Over-Voltage clamping protection
  • Accurate voltage/current measurement for Foreign Object Detection (FOD)
  • On-chip thermal management and protections
  • Flip chip 40 bumps (2.12mm x 3.32mm)

Applications

  • Smartphones
  • Wearable/Hearables TWS
  • Asset tracking devices
  • Medical and healthcare equipment

Block Diagram

Block Diagram - STMicroelectronics STWLC38 Qi-Compliant Dual Wireless Power Receiver
發佈日期: 2023-05-08 | 更新日期: 2024-01-25