STMicroelectronics VIPerPlus High Voltage Converters

STMicroelectronics VIPerPlus高電壓轉換器

意法半導體VIPerPlus高電壓轉換器具有800V耐突崩MOSFET及先進的PWM電路設計。這樣的設計可以實現真正創新的交流-直流轉換,效率高,更簡單快速,所用元件數減半,因此成本更低。VIPerPlus系列符合藍天使和能源之星環保規範,是最簡易的解決方案,系統在待機模式時,電源總功耗極低。

意法半導體VIPerPlus高電壓轉換器具有800V耐突崩MOSFET及先進的PWM電路設計。這樣的設計可以實現真正創新的交流-直流轉換,效率高,更簡單快速,所用元件數減半,因此成本更低。除了優化的電流模式控制及全面的內建保護電路外,VIPerPlus系列還符合藍天使和能源之星環保規範,是最簡易的解決方案,系統在待機模式時,電源總功耗極低。

特點
  • 超低功耗30mW待機功耗(265V時)
  • 減少系統總成本,透過:
    • 設計簡單,總元件數少
    • 降低EMI濾波器成本的抖動特性

  • 符合藍天使和能源之星環保規範及2002/95/EC歐洲指令
  • 支援最熱門的SMPS拓撲:
    返馳(隔離和非隔離輸出、初級側調節)、
    降壓轉換器和降壓升壓轉換
  • 穩固性和可靠性高,獲得過800V
    MOSFET及嵌入式故障保護功能認證

意法半導體VIPer15準諧振高性能離線高電壓轉換器具有800V耐受電源、PWM 控制、雙重過電流保護、過電壓與超載保護、磁滯熱保護、軟啟動及故障消除後自動安全重啟的功能。高載模式操作和設備功耗極低,皆有助於達到待機節能規範。抖動特性降低EMI濾波器成本。整流輸入電壓低於系統正常運行所規定的最小電壓時,可透過降壓關閉和降壓開啟功能保護開關模式電源。設備內嵌高電壓啟動電路

STMicroelectronics VIPer15 Quasi-Resonat High Performance Off-Line High Voltage Converter
Buy Button 檢視產品清單
特點
  • 800V突崩耐受電源
  • 準諧振(QR)控制便於進行谷值開關操作
  • 待機功耗 < 50mW(265VAC時)
  • 透過可調節設置點限流
  • 可調節的精確過電壓保護
  • 板載軟啟動
  • 故障後自動安全重啟
  • 磁滯熱關斷
應用
  • 配接器,用於PDA、攝影機、刮鬍刀、行動電話、行動電話、電動遊戲
  • 輔助電源,用於LCD/PDP TV、顯示器、音訊系統、電腦、工業系統、LED驅動器、No el-cap LED驅動器、電錶
  • SMPS,用於機上盒、DVD播放機與燒錄機、大型家電


意法半導體VIPer25準諧振高性能離線高電壓轉換器具有800V耐受電源、PWM控制、雙重過電流保護、過電壓與超載保護、磁滯熱保護、軟啟動及故障消除後自動安全重啟的功能。高載模式運行與設備功耗極低,皆有助於達到待機節能規範。抖動特性降低EMI濾波器成本。整流輸入電壓低於系統正常運行所規定的最小電壓時,降壓關閉和降壓開啟功能可保護開關模式電源。設備內嵌高電壓啟動電路。

STMicroelectronics VIPer25 Quasi-Resonat High Performance Off-Line High Voltage Converter
Buy Button 檢視產品清單
特點
  • 800V突崩耐受電源
  • 準諧振(QR)控制便於進行谷值開關操作
  • 待機功耗 < 50mW(265VAC時)
  • 透過可調節設置點限流
  • 可調節的精確過電壓保護
  • 板載軟啟動
  • 故障後自動安全重啟
  • 磁滯熱關斷
應用
  • 配接器,用於PDA、攝影機、刮鬍刀、行動電話、
    無線電話、電動遊戲
  • 輔助電源,用於LCD/PDP TV、顯示器、
    音訊系統、電腦、工業系統、LED驅動器、
    No el-cap LED驅動器、電錶
  • SMPS,用於機上盒、DVD播放機與燒錄機、大型家電


意法半導體VIPer35準諧振高性能離線高電壓轉換器具有800V耐受電源MOSFET及準諧振電流模式PWM控制。功耗非常低,輕負載條件下採用高載模式運行,符合嚴格的節能標準。

VIPer35具有掉電保護功能,可以分別設置關斷、開啟閾值。準諧振運行模式降低應用中的EMI水準及元件數量,減少開關損耗,改善功率轉換效率。此產品具高級保護性能,如輸出過電壓、短路和磁滯熱關斷保護。IC在故障消除後自動重啟。

STMicroelectronics VIPer35 Quasi-Resonat High Performance Off-Line High Voltage Converter
Order VIPer35 Quasi-Resonat High Performance Off-Line High Voltage Converter 檢視產品清單

VIPer35產品資料
特點
  • 800V突崩耐受電源MOSFET,可達到超寬幅輸入VAC
  • 內嵌高電壓啟動電路和senseFET
  • 內建軟啟動
  • 準諧振電流模式PWM控制器具有漏極電流限制(IDlim)
  • 多功能ZCD引腳:- 零電流檢測 - OCP閾值(IDlim)設定 - 輸出OVP (自動重啟) - 前饋補償
  • 支援光電耦合器的隔離式返馳拓撲
  • 頻率限制:- 136kHz (L型)、225kHz (H型)
  • 無負載條件下小於30mW @230VAC
  • 通過電阻分壓器設置掉電保護
  • 短路保護(自動重啟)
  • 磁滯熱關斷
應用
  • 輔助電源
  • 配接器/充電器,用於PDA、攝影機、刮鬍刀、平板電腦、電動遊戲、STB
  • 電源,用於工業系統、計量、家電


意法半導體VIPer37固定頻率離線轉換器具有800V耐受電源、PWM 控制、雙重過電流保護、過電壓與超載保護、磁滯熱保護、軟啟動和故障消除後自動安全重啟功能。

具有高載模式且設備功耗極低,因此符合待機節能規範。高級抖動特性降低EMI濾波器成本。整流輸入電壓低於系統正常運行所規定的最小電壓時,可透過掉電功能保護開關模式電源。設備內嵌高電壓啟動電路。

STMicroelectronics VIPer37 Fixed Frequency Offline Converter
Order VIPer37 Fixed Frequency Offline Converter 檢視產品清單

VIPer37產品資料
特點
  • 800V突崩耐受電源 MOSFET,可達到超寬幅輸入Vac
  • PWM運行,限流可調
  • 30mW待機功耗(265Vac時)
  • 工作頻率:- 60kHz (L型)、115kHz (H型)
  • 頻率抖動降低EMC
  • 輸出過電壓保護
  • 高初級側電流保護(第2重OCP)
  • 輸入欠壓設定(掉電)
  • 輸入欠壓設定(掉電)
  • 故障後自動安全重啟
  • 故障後自動安全重啟
應用
  • SMPS,用於機上盒、DVD播放機與燒錄機、大型家電
  • 輔助電源,用於消費類和家用設備
  • ATX輔助電源
  • 低/中功率交流-直流配接器


意法半導體VIPer38峰值功率高電壓轉換器巧妙結合了一個800V堅固的功率MOSFET與PWM電流模式控制。電源MOSFET可以施加很高的輸入Vac,略低於其擊穿電壓。此IC在輕負載時功耗極低,並採用高載模式運行,因此符合更嚴格的節能標準。

該元件附帶一個可調節額外功率計時器(EPT),IC因此可保持超載工況若干秒鐘。

該元件附帶一個可調節額外功率計時器(EPT),IC因此可保持超載工況若干秒鐘。

此產品具有高級保護性能,如雙重過電流保護、輸出過電壓、短路和磁滯熱關斷保護。故障消除後IC自動重啟。

STMicroelectronics VIPer38 Peak Power High-Voltage Converter
Oder VIPer38 Peak Power High-Voltage Converter 檢視產品清單

VIPer38產品資料
特點
  • 800V突崩耐受電源MOSFET,可達到超寬幅輸入Vac
  • 內嵌高電壓啟動電路和傳感FET
  • PWM電流模式控制器
  • 透過設置閾值(IDlim)進行過電流保護,設置更高值(IDMAX),進行第2重過電流保護,避免IC因變壓器飽和或次級側二極體短路而受損
  • 30mW無負載功耗 (230Vac)
  • 2種可調工作頻率:- 60kHz (L型)、115kHz (H型)
  • 抖動頻率降低EMI
  • 額外功率計時器(EPT)在幾秒內清空超載電流
  • 通過小容差和數位噪音濾波器,提供輸出過電壓保護
  • 軟啟動減少啟動時的壓力,延長IC壽命
  • 故障後自動重啟
  • 熱關斷提高系統可靠性,延長IC壽命
應用
  • 輔助電源,用於消費類和家用設備
  • 電源,用於電錶和資料集中器
  • 配接器


意法半導體VIPer06固定頻率離線高電壓轉換器具有800V突崩耐受電源、PWM控制器、用戶自訂過電流限制、開環故障保護、磁滯熱保護、軟啟動和故障後自動安全重啟功能。該元件可以通過整流電源線直接供電,無需輔助偏置繞組。高級抖動特性降低EMI濾波器成本。高載模式運行和設備功耗極低,皆有助於達到節能規範設定的標準。

STMicroelectronics VIPer06 Fixed Frequency Off-Line High Voltage Converter
Buy Button 檢視產品清單 
特點
  • 800V突崩耐受電源
  • PWM運行具有頻率抖動,降低EMI
  • 工作頻率:VIPER06Xx為30kHz,
    VIPER06Lx為60kHz,VIPER06Hx為115kHz
  • 無需使用輔助繞組即可進行低功耗應用
  • 待機功耗 < 30mW(265VAC時)
  • 透過可調節設置點限流
  • 板載軟啟動

  • 故障後自動安全重啟
  • 磁滯熱關斷

應用
  • 替代電容式電源
  • 家用電器
  • 功率計
  • LED驅動器

意法半導體VIPer16固定頻率高性能離線高電壓轉換器具有800V突崩耐受電源、PWM控制器、用戶自訂過電流限制、防止回饋網路斷開、磁滯熱保護、軟啟動和故障後自動安全重啟功能。該元件可以通過整流電源線直接供電,無需輔助偏置繞組。高級抖動特性降低EMI濾波器成本。高載模式運行和設備功耗極低,皆有助於達到節能規範設定的標準。

STMicroelectronics VIPer16 Fixed Frequency High Performance Off-Line High Voltage Converter
Buy button 檢視產品清單
 
特點
  • 800V突崩耐受電源
  • PWM運行帶頻率抖動降低EMI
  • 工作頻率:60kHz (L型)、115kHz (H型)
  • 低功耗應用中無需輔助繞組
  • 待機功耗 < 50mW(265VAC時)
  • 待機功耗 < 50mW(265VAC時)
  • 板載軟啟動
  • 故障後自動安全重啟

  • 磁滯熱關斷

應用
  • 替代電容式電源
  • 家電輔助電源
  • 功率計
  • LED驅動器
 

意法半導體VIPer26固定頻率高性能離線高電壓轉換器具有800V突崩耐受電源、PWM控制器、用戶自訂過電流限制、防止回饋網路斷開、磁滯熱保護、軟啟動和故障後自動安全重啟功能。高級抖動特性降低EMI濾波器成本。高載模式運行和設備功耗極低,皆有助於達到節能規範設定的標準。

STMicroelectronics VIPer26 Fixed Frequency High Performance Off-Line High Voltage Converter
Buy Button 檢視產品清單
 
特點
  • 800V突崩耐受電源
  • PWM運行帶頻率抖動降低EMI
  • 工作頻率:60kHz (L型)、115kHz (H型)
  • 待機功耗 < 50mW (265VAC時)
  • 透過可調節設置點限流
  • 板載軟啟動
  • 故障後自動安全重啟
  • 磁滯熱關斷
應用
  • 家電輔助電源
  • 功率計
  • LED驅動器
  • SMPS,用於機上盒、DVD播放機、燒錄機、大型家電
 
方塊圖 (非隔離式)
Block Diagram (Non-Isolated)

意法半導體VIPer17固定頻率高性能離線高電壓轉換器具有800V耐受電源、PWM控制、雙重過電流保護、過電壓與超載保護、磁滯熱保護、軟啟動及故障消除後自動安全重啟的功能。高載模式運行與設備功耗極低,皆有助於達到待機節能規範。高級抖動特性降低EMI濾波器成本。整流輸入電壓低於系統正常運行所規定的最小電壓時,可透過掉電功能保護開關模式電源。設備內嵌高電壓啟動電路。

STMicroelectronics VIPer17 Fixed Frequency High Performance Off-Line High Voltage Converter
Buy Button 檢視產品清單  
特點
  • 800V突崩耐受電源
  • PWM運行帶頻率抖動降低EMI
  • 工作頻率:60kHz (L型)、115kHz (H型)
  • 待機功耗 < 50mW (265VAC時)
  • 透過可調節設置點限流
  • 可調節的精確過電壓保護
  • 板載軟啟動
  • 故障後自動安全重啟
  • 磁滯熱關斷
應用
  • 配接器,用於PDA、攝像機、刮鬍刀、
    行動電話、電動遊戲
  • A輔助電源,用於LCD/PDP TV、顯示器、
    音訊系統、電腦、工業系統、
    LED驅動器、No el-cap LED驅動器
  • SMPS,用於機上盒、DVD播放機、燒錄機、大型家電
 

意法半導體VIPer27固定頻率高性能離線高電壓轉換器具有800V耐受電源、PWM控制、雙重過電流保護、過電壓與超載保護、磁滯熱保護、軟啟動及故障消除後自動安全重啟的功能。高載模式運行與設備功耗極低,皆有助於達到待機節能規範。高級抖動特性降低EMI濾波器成本。整流輸入電壓低於系統正常運行所規定的最小電壓時,可透過掉電功能保護開關模式電源。設備內嵌高電壓啟動電路。

STMicroelectronics VIPer27 Fixed Frequency High Performance Off-Line High Voltage Converter
Buy Button 檢視產品清單  
特點
  • 800V突崩耐受電源
  • PWM運行帶頻率抖動降低EMI
  • 工作頻率:60kHz (L型)、115kHz (H型)
  • 待機功耗 < 50mW (265VAC時)
  • 透過可調節設置點限流
  • 可調節的精確過電壓保護
  • 板載軟啟動
  • 故障後自動安全重啟
  • 磁滯熱關斷
應用
  • 輔助電源,用於消費類和家用設備
  • ATX輔助電源
  • 低/中功率交流-直流配接器
  • SMPS,用於機上盒、DVD播放機、燒錄機、大型家電
 

意法半導體VIPer37固定頻率高性能離線高電壓轉換器具有800 V耐受電源、PWM控制、雙重過電流保護、過電壓與超載保護、磁滯熱保護、軟啟動及故障消除後自動安全重啟的功能。高載模式運行與設備功耗極低,皆有助於達到待機節能規範。高級抖動特性降低EMI濾波器成本。整流輸入電壓低於系統正常運行所規定的最小電壓時,可透過掉電功能保護開關模式電源。設備內嵌高電壓啟動電路。

STMicroelectronics VIPer37 Fixed Frequency High Performance Off-Line High Voltage Converter
Buy Button 檢視產品清單
特點
  • 800V突崩耐受電源
  • PWM運行,限流可調
  • 30mW待機功耗(265Vac時)
  • 工作頻率:60kHz (L型)、115kHz (H型)
  • 頻率抖動降低EMC
  • 輸出過電壓保護
  • 高級初級側電流保護(第2重OCP)
  • 輸入欠壓設定(掉電)
  • 板載軟啟動
  • 故障後自動安全重啟
  • 磁滯熱關斷
應用
  • SMPS,用於機上盒、DVD播放機、
    燒錄機、大型家電
  • 輔助電源,用於消費類和家用設備
  • ATX輔助電源
  • 低/中功率交流-直流配接器
 
方塊圖(PWM)
Block Diagram (PWM)
 

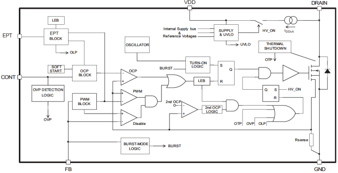
意法半導體VIPer28固定頻率高性能離線高電壓轉換器具有800 V耐受電源、PWM控制、雙重過電流保護、過電壓與超載保護、磁滯熱保護、軟啟動及故障消除後自動安全重啟的功能。高載模式運行與設備功耗極低,皆有助於達到待機節能規範。高級抖動特性降低EMI濾波器成本。額外功率計時器可以在設定的時間視窗內管理輸出峰值功率。設備內嵌高電壓啟動電路。

STMicroelectronics VIPer28 Fixed Frequency High Performance Off-Line High Voltage Converte
Buy Button 檢視產品清單
特點
  • 800 V突崩耐受電源
  • PWM運行,限流可調
  • 30mW待機功耗(265Vac時)
  • 工作頻率:60kHz (L型)、115kHz (H型)
  • 輸出過電壓保護
  • 輸出過電壓保護
  • 高級初級側電流保護(第2重OCP)
  • 額外功率計時器,用於管理峰值電流
  • 板載軟啟動

  • 故障後自動安全重啟
  • 磁滯熱關斷

應用

  • 輔助電源,用於消費類和家用設備
  • ATX輔助電源
  • 低/中功率交流-直流配接器
  • SMPS,用於機上盒、DVD播放機、燒錄機、大型家電
方塊圖(額外功率)
Block Diagram (Extra-Power)

意法半導體VIPer0P零功率離線高電壓轉換器,巧妙結合了一個800V突崩耐受電源MOSFET與PWM電流模式控制。電源MOSFET具有800V擊穿電壓,因此可施加寬幅輸入電壓,並可減少DRAIN緩衝電路的面積。此IC在輕負載時功耗極低,並採用脈衝頻率調製模式運行,因此符合最嚴格的節能標準。零功率模式(ZPM)運行時,IC處於閒置狀態,整個系統完全關斷。MCU可以輕鬆連接至此IC,進行智慧ZPM管理,並可在閒置狀態時通過IC本身供電。支援返馳、降壓、降升壓轉換器設計。

STMicroelectronics VIPer0P Zero-Power Off-Line High Voltage Converter
Buy Button 檢視產品清單
特點
  • 智慧待機架構,使用零功率模式(ZPM)
  • 透過MCU輕鬆實現ZPM管理
  • 800V突崩耐受電源MOSFET,可達到超寬幅輸入Vac
  • 嵌入了高電壓啟動電路和傳感FET
  • 電流模式PWM控制器
  • 漏極電流限制保護(OCP)
  • 寬幅供電電壓範圍:4.5V至30V
  • 可進行自供電,無需輔助繞組或偏置元件
  • 最小化的系統輸入功耗:
  • 小於4mW @ 230VAC(ZPM模式時)
  • 小於10mW @ 230VAC(無負載條件下)
  • 小於400mW @ 230VAC(250mW負載時)

  • 降低EMI濾波器成本的抖動特性
  • 60kHz ±7% (L型)
  • 120kHz ±7% (H型)
  • 故障後自動安全重啟
  • 磁滯熱關斷
  • 嵌入式E/A具有1.2V基準和獨立接地,方便設置負電壓
  • 自動重啟保護:超載/短路(OLP)、最大占空比計數器、VCC鉗位
  • 脈衝跨越保護避免通量散逸
  • 嵌入式熱關斷
  • 內置軟啟動,改善系統穩定性

應用

  • SMPS,用於家電、家庭自動化、工業、照明、消費類電子
方塊圖
Block Diagram
Sign-Up for New Product Announcements from Mouser
  • STMicroelectronics
  • Power Management
  • Semiconductors|Integrated Circuits|IC-Power Management
發佈日期: 2013-03-26 | 更新日期: 2022-03-17