STMicroelectronics STEVAL-MKI200V1K Evaluation Kit

STMicroelectronics STEVAL-MKI200V1K Evaluation Kit is a temperature probe kit based on the STTS22H temperature sensor. This STTS22H sensor is connected via a flat cable to the STEVAL-MKIGIBV1 adapter board and interfaces with the STEVAL-MKI109V3 motherboard. The STEVAL-MKI200V1K evaluation kit has small package dimensions that allow mounting at the end of a very thin probe. This evaluation kit provides a complete STTS22H pinout for a standard DIL 24 socket.

Features

  • Based on the STTS22H temperature sensor
  • Comes with the complete STTS22H pinout for a standard DIL 24 socket
  • Compatible with STEVAL-MKI109V3 motherboards: high-performance 32-bit MCU
  • Small dimensions
  • RoHS compliant
  • WEEE compliant

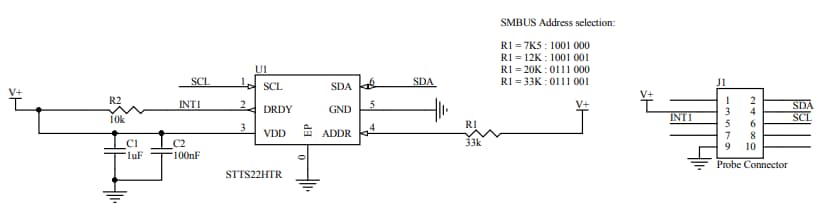
Schematic

Schematic - STMicroelectronics STEVAL-MKI200V1K Evaluation Kit
發佈日期: 2019-12-15 | 更新日期: 2024-02-12