STMicroelectronics LM2903 Low-Power Dual Voltage Comparator
STMicroelectronics LM2903 Low-Power Dual Voltage Comparator consists of two independent low-power voltage comparators designed to operate from a single supply over a wide range of voltages. Operation from split power supplies is also possible. The STMicroelectronics LM2903 also has a unique characteristic: the input common-mode voltage range includes the negative rail, even though it is operated from a single power supply voltage.Features
- Wide single supply voltage range or dual supplies +2V to +36V or ±1V to ±18V
- Low supply current (0.4mA) independent of the supply voltage (1mW/comparator at +5V)
- 25nA (typ.) low input bias current
- ±5nA (typ.) low input offset current
- Input common-mode voltage range includes negative rail
- 250mV (typ.) (IO = 4mA) low output saturation voltage
- Differential input voltage range equal to the supply voltage
- TTL, DTL, ECL, MOS, CMOS compatible outputs
- Automotive qualification
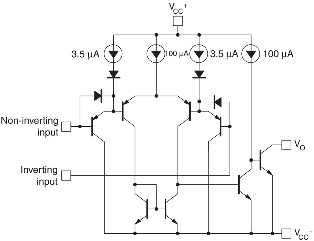
1/2 Schematic Diagram
發佈日期: 2019-06-14
| 更新日期: 2024-03-05
