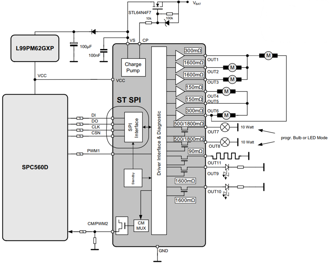
STMicroelectronics L99MOD50XP Multi-Output Driver
STMicroelectronics L99MOD50XP Multi-Output Driver is a microcontroller-driven multifunctional actuator driver for automotive applications. Up to five DC motors and five grounded resistive loads can be driven with six half-bridges and five high-side drivers. The integrated SPI controls all operating modes (forward, reverse, brake, and high impedance). Also, all diagnostic information is available via SPI read.Features
- AEC-Q100 qualified
- Two half bridges for 6A load (RDSon = 150mΩ)
- Two half bridges for 3A load (RDSon = 300mΩ)
- Two half bridges for 0.75A load (RDSon = 1600mΩ)
- One high-side driver for 6A load (RDSon = 90mΩ)
- Two configurable high-side drivers for up to 1.5A load (RDSon = 500mΩ) or 0.4A load (RDSon = 1800mΩ)
- Two high-side drivers for 0.5A load (RDSon = 1600mΩ)
- Programmable soft-start function to drive loads with higher inrush currents as current limitation value
- Low current consumption in standby mode (IS <6μA typ; Tj ≤85°C; ICC <5μA typ; Tj ≤85°C)
- Current monitor output for all high-side drivers
- The device contains temperature warning and protection
- Open-load detection for all outputs
- Over-current protection for all outputs
- PWM control of all outputs
- Charge pump output for reverse polarity protection
- ST standard serial peripheral interface (ST-SPI 3.0)
Applications
- Motor control (multiple motors with additional loads in high-side configuration)
- Bulbs
- LEDs
- Protected supply
- Sensors
- Cameras
Block Diagram
發佈日期: 2019-12-04
| 更新日期: 2024-02-19
