被動式平衡在正常和低功耗兩種模式下(靜音平衡),皆提供可編程通道選擇,且可根據內部計時器中斷自動終止平衡。裝置整合9個GPIO,用於外部監控和控制。STMicroelectronics L9963E擁有一組完整的故障偵測和通知功能,可滿足安全標準要求。
特點
- 符合AEC-Q100標準
- 可測量4至14個串聯電池芯,樣本間的去同步延遲為0μs
- 亦支援匯流排連線,且無須改變電池芯結果
- 庫侖計數器支援點火開及關狀態下的電池組過電流偵測
- 完全同步的電流和電壓樣本
- 16位元電壓ADC,焊接後,在介於[-40°C至+105°C]的Tj範圍中、[0.5V至4.3V]範圍內的最大誤差為±2mV
- 再生緩衝區的2.66Mbps隔離序列通訊,支援雙存取環
- 鏈中第1部和第31部裝置開始轉換之間的延遲小於4μs
- 在使用8個L9963E和L9963T收發器的系統中轉換和讀取96個電池芯的時間小於4ms
- 在使用15個L9963E和L9963T收發器的系統中轉換和讀取210個電池芯的時間小於8ms
- 在使用31個L9963E和L9963T收發器的系統中轉換和讀取434個電池芯的時間小於16ms
- 同時支援XFMR和CAP式的隔離
- 在正常和靜音平衡模式下,每個電池芯的被動式內部平衡電流為200mA
- 可執行循環喚醒測量
- 可同時在多個通道上執行手動/定時平衡;內部/外部平衡
- 完全備援的電池測量路徑,含ADC交換功能,可強化安全性和跛行模式功能
- 提供自動故障驗證的智慧診斷程序
- 透過SPI全域狀態字(GSW)和專用FAULT線路的備援故障通知
- 兩個5V穩壓器,支援25mA (VCOM)和50mA (VTREF)電流能力的外部負載連接
- 9個GPIO,最多帶7個用於NTC感測的類比輸入
- 可靠的熱插拔效能,每個電池芯不需要並聯齊納二極體
- 完全符合ISO26262標準,ASIL-D系統就緒
應用
- 汽車
- 48V和高壓電池組
- 備用能源儲存系統和UPS
- 電動自行車、電動機車
- 可攜式設備和半可攜式設備
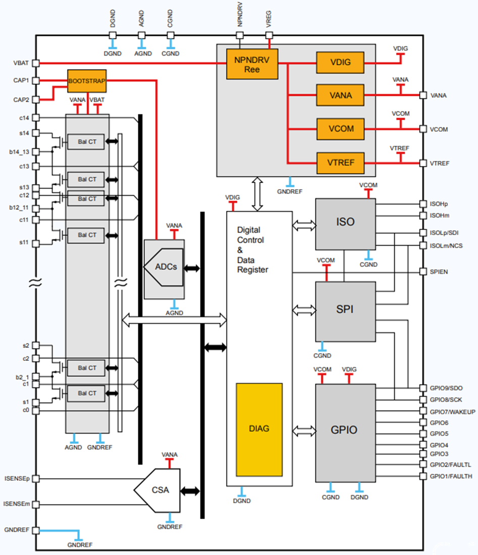
方塊圖
發佈日期: 2021-04-07
| 更新日期: 2025-06-19

