Semtech TS13102 Neo-Iso™ Solid State Relay
Semtech TS13102 Neo-Iso™ Solid State Relay enables self-powered control systems in an Internet of Things (IoT) applications. The IoT applications include smart thermostats, alarm panels, factory automation systems, smart controls, and more. The TS13102 solid state relay can autonomously harvest energy even when its switch is closed and without the assistance of a microcontroller. The harvested energy is stored in a system capacitor (Csys) and can be shared across multiple channels in the system driving several loads simultaneously. This device includes a single integrated 290mΩ high voltage switch that allows high-efficiency switching of power loads.Semtech TS13102 relay offers an enhanced communication scheme that allows the controller to send specific commands through the control line (CLK) to perform a variety of functions. The control and feedback lines can be shared across multiple channels, reducing the system microcontroller pin count.
Features
- Energy harvesting from the load with integrated bridge diodes
- Automatic, dithering-enabled energy harvesting
- Enhanced diagnostic feedback with status, fault information, and voltage detection
- -40°C to +125°C junction operating temperature range
- Switch Characteristics:
- Bi-directional blocking in OFF state
- Single switch device
- 60V switch and 290mΩ on-resistance
- Up to 2.5A operating current
- Supports scalable galvanically-isolated I/O
- Operating modes
- Zero-cross ON/OFF
- Immediate ON/OFF
- Dithering mode for system power-sharing
- Switch state polling
- Three address pins allow for up to eight switches on the same control line (CLK)
- Programmable Watch Dog (WD) pin to safely disconnect the load after CLK lack of activity
- Small 16-pin 3mm x 3mm QFN package
Applications
- Power load/rail switching
- Input supply multiplexing
- Isolated power supplies
- Solid state relays
- HVAC control
- Sprinkler control
- IoT
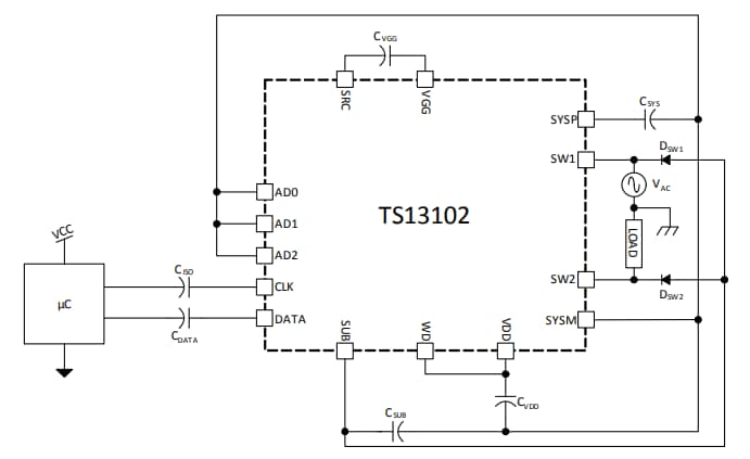
Typical Application Circuit
Block Diagram
發佈日期: 2019-01-25
| 更新日期: 2023-06-19
