Semtech RClamp®10022PWQ Transient Voltage Suppressor (TVS)
Semtech RClamp®10022PWQ Transient Voltage Suppressor (TVS) is designed for ESD protection of 100BASE-T1 and 1000BASE-T1 interfaces in automotive environments. This two-line suppressor utilizes silicon avalanche technology for excellent ESD and TLP clamping performance. Semtech RClamp10022PWQ TVS offers a ±15kV contact rating, ±25kV air discharge protection per IEC 61000-4-2, and a maximum capacitance rating of 0.6pF. The RClamp10022PWQ TVS meets Open Alliance standards for 10BASE-T1S, 100BASE-T1, and 1000BASE-T1 applications, ensuring reliable Ethernet connectivity for Advanced Driver Assistance Systems (ADAS) and autonomous driving.Features
- Open Alliance compliant
- Qualified to AEC-Q100
- Solid-state silicon-avalanche technology
- Side wettable flanks
- Package design optimized for easy layout
Applications
- 2.5G/5G/10GBASE-T1
- Open Alliance 100/1000BASE-T1 Ethernet
- Automotive in-vehicle network lines
Specifications
- ESD per IEC 61000-4-2
- ±15kV for contact
- ±25kV for air
- ESD per ISO 10605
- ±30kV for contact and air
- ±15kV for contact
- ±15kV per 1000 contact discharges
- 0.6pF maximum capacitance rating
- 100V minimum TVS trigger voltage
- 30V TVS working voltage
- 2mm x 1mm x 0.55mm DFN package
- Lead-free lead finish
Wettable Flank Package
Circuit Diagram
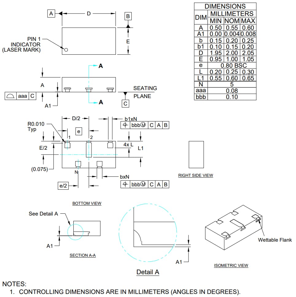
Dimensions Drawing
Videos
發佈日期: 2025-02-24
| 更新日期: 2025-07-16
