Bosch BHI385 Shuttle Board 3.0

Bosch BHI385 Shuttle Board 3.0 is a compact evaluation platform designed to support the BHI385 smart sensor, which integrates a 6-axis inertial measurement unit (IMU) with a programmable microcontroller and embedded AI capabilities. This board allows developers to rapidly prototype and evaluate sensor-based applications, particularly those involving motion detection, gesture recognition, and context awareness. The BHI385 Shuttle Board 3.0 features a standardized interface for easy integration with Bosch’s Application Board 3.1, enabling seamless communication and power supply. This board also includes essential passive components and provides access to all sensor pins, making it ideal for both standalone testing and integration into larger development systems.

Features

  • PCB with a mounted BHI385 smart sensor
  • BME688 environmental sensor (I2C interface)
  • BM580 pressure sensor (I2C interface)
  • BMM350 magnetometer (AUX interface)
  • Onboard EEPROM
  • Easy access to sensor pins via a simple socket

Applications

  • Wearables
  • Sports activity tracking/evaluation
  • Fitness equipment and smart clothing
  • Head-mounted devices
  • Impact detection
  • Human-machine interactions

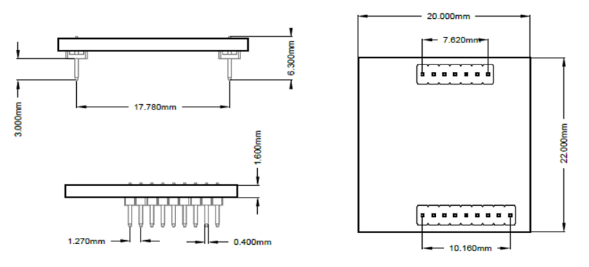
Dimensions

Mechanical Drawing - Bosch BHI385 Shuttle Board 3.0
發佈日期: 2025-07-09 | 更新日期: 2025-12-23