ROHM Semiconductor BD4xxM2-C LDO Regulators
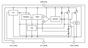
ROHM BD4xxM2-C LDO Regulators offer 200mA output current and 40μA typical current consumption. These regulators are ideal for applications that need a direct connection to the battery and low power consumption. A logical "HIGH" at the CTL pin enables the device and "LOW" at the CTL pin not enables the device.Ceramic capacitors can be used for compensation of the output capacitor phase. The BD4xxM2-C ICs also feature overcurrent protection to protect the device from short-circuiting and an integrated thermal shutdown to protect the device from overheating during overload.
Features
- Qualified for automotive applications
- -40°C to 150°C wide temperature range
- 3.0V to 42V wide operating input range
- 40μA (typical) low quiescent current
- 200mA output current
- ±2% high output voltage accuracy
- 3.3V or 5V output voltage
- Enable input (Only W: includes Enable input)
- Over Current Protection (OCP)
- Thermal Shutdown (TSD) protection
- AEC-Q100 qualified
Applications
- Automotive:
- Body
- Audio system
- Navigation system
Additional Resource
Videos
發佈日期: 2019-03-20
| 更新日期: 2024-01-22
