Renesas Electronics ISL85033 Dual Standard Buck Regulators
Renesas Electronics ISL85033 Dual Standard Buck Regulators are capable of 3A per channel continuous output current. The ISL85033 features an input range of 4.5V to 28V, enabling a high-frequency power solution for a variety of point of load applications.The PWM controller in the ISL85033 drives an internal switching N-channel power MOSFET. This requires an external Schottky diode to generate the output voltage. An optimized power switch provides thermal performance up to 3A of output current. The Renesas Electronics ISL85033 employs peak current mode control to provide flexibility in component selection and minimize solution size. The protection features include overcurrent, UVLO, and thermal overload protection.
The ISL85033 is offered in a small 4mmx4mm Thin Quad Flat No-Lead (TQFN) Pb-free package.
Features
- Wide input voltage range from 4.5V to 28V
- Adjustable output voltage with continuous output current up to 3A
- Current mode control
- Adjustable switching frequency from 300kHz to 2MHz
- Independent power-good detection
- Selectable in-phase or out-of-phase PWM operation
- Independent, sequential, ratiometric or absolute tracking between outputs
- Internal 2ms soft-start time
- Overcurrent/short circuit protection, thermal overload protection, UVLO
- Boot undervoltage detection
- Pb-free (RoHS compliant)
Applications
- General purpose point-of-load DC/DC power conversion
- Set-top boxes
- FPGA power and STB power
- DVD and HDD drives
- LCD panels, TV power
- Cable modems
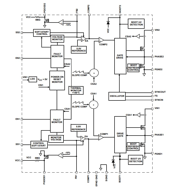
Block Diagram
發佈日期: 2020-07-10
| 更新日期: 2022-10-24
