此外,具備AVSBus的ISL68239可與PMBus相輔相成,透過提供通用的高速介面,加速控制器與負載之間的點對點通訊,並以靜態與動態方式控制處理器電壓,打造兼顧平衡與電源效率的設計。
Renesas ISL68239採用Renesas專有的數位合成電流調變方案,可在整個負載範圍內取得瞬態響應、調校便利性與效率之間的最佳平衡。二極體仿真與自動相位增減功能可使轉換器在任何負載條件下維持最高效率。直覺化的PowerNavigator™軟體可用於設定與監控該設備。
特點
- 進階線性數位調變方案
- 具備PFM模式的自動相位增減,呈現優異的負載對效率表現
- 雙邊沿調變,並可選配二極體煞車,以加快瞬態響應
- 優異的VOUT轉換效能
- 零延遲合成電流控制,提供出色的高頻電流平衡
- 每路輸出支援0至12相的彈性相位配置
- 最高可達2MHz的開關頻率運作,適用於高功率密度設計
- 與SMBus/PMBus v1.3相容
- 差動遠端電壓感測可在負載、輸入電壓與溫度變動下,支援±0.5%的閉迴路系統精度
- 高精度電流感測可提供優異的負載線調節與精準的OCP
- 支援Renesas Smart Power Stage (SPS) 設備全系列
- 完善的故障管理可建構高可靠度系統
- 支援逐脈衝(每相)與總輸出電流限制
- 具備黑盒狀態記錄功能,並提供首次故障指示
- 透過PowerNavigator軟體進行直覺化設定
- 設備非揮發性記憶體 (NVM) 最多可儲存16組使用者設定
應用
- DDR記憶體解決方案
- 人工智能/加速卡(FPGA、ASIC)
- 網路設備
- 伺服器/儲存設備
- 電訊/資料通信設備
- 負載點電源(記憶體、DSP、ASIC、FPGA)
規格
- 輸入電壓:4.5V至18V
- 輸出電壓:0V至3.05V
- 操作溫度範圍:-40至+85°C
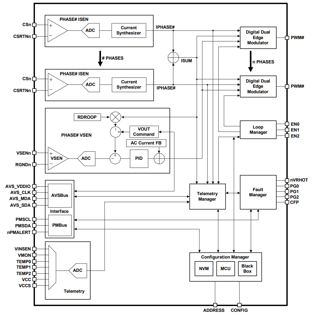
方塊圖
發佈日期: 2025-09-15
| 更新日期: 2026-02-05

