Qorvo QPB9329 Evaluation Board
Qorvo QPB9329 Evaluation Board is designed to evaluate the QPB9329 switch LNA module. The QPB9329 switch LNA module is a highly integrated front-end module targeted for Time Division Duplex (TDD) base stations. The Qorvo QPB9329 Evaluation Board operates at a frequency range of 3.8GHz to 5GHz.Features
- 3.8GHz to 5GHz operational frequency range
- Dual channel
- 1.8V Transistor to Transistor Logic (TTL) compatibility
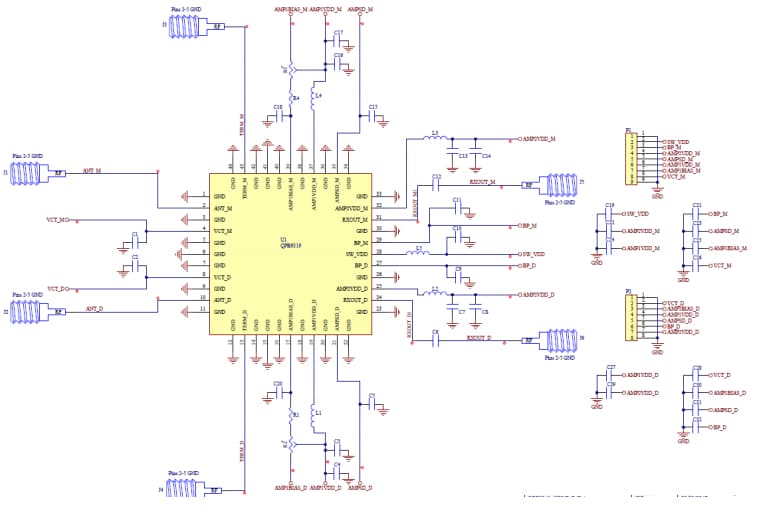
Schematic
Layout
發佈日期: 2018-07-05
| 更新日期: 2023-11-08
