Qorvo CMD307P3 8GHz to 16GHz Low Noise Amplifier

Qorvo CMD307P3 8GHz to 16GHz Low Noise Amplifier is a broadband MMIC housed in a leadless 3mm x 3mm plastic surface-mount package. The Qorvo CMD307P3 is ideal for communication systems requiring a small size and low power consumption. The device operates from 8GHz to 16GHz and delivers greater than 17dB of gain with a corresponding output 1dB compression point of +12dBm and a noise figure of 2dB. The CMD307P3 is a 50Ω matched design that eliminates the need for external DC blocks and RF port matching.

Features

  • Low noise figure
  • Low current consumption
  • Single positive supply voltage
  • Lead-free, RoHs-compliant
  • 3mm x 3mm QFN package

Applications

  • Electronic warfare (EW)
  • Radar
    • X Band
    • Ku Band
  • Space
  • Satellite communications (Satcom)
  • Phased arrays

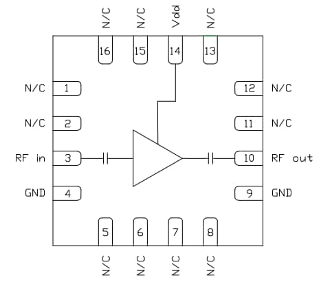
Block Diagram

Block Diagram - Qorvo CMD307P3 8GHz to 16GHz Low Noise Amplifier
發佈日期: 2020-03-24 | 更新日期: 2024-08-20