onsemi NCP51560隔離式雙通道閘極驅動器

安森美 (onsemi) NCP51560隔離式雙通道閘極驅動器具有4.5A峰值源極電流和9A峰值灌極電流輸出能力。NCP51560設計用於快速切換,以驅動功率MOSFET和SiC MOSFET功率開關。此裝置還具有短傳播延遲和匹配傳播延遲的特性。

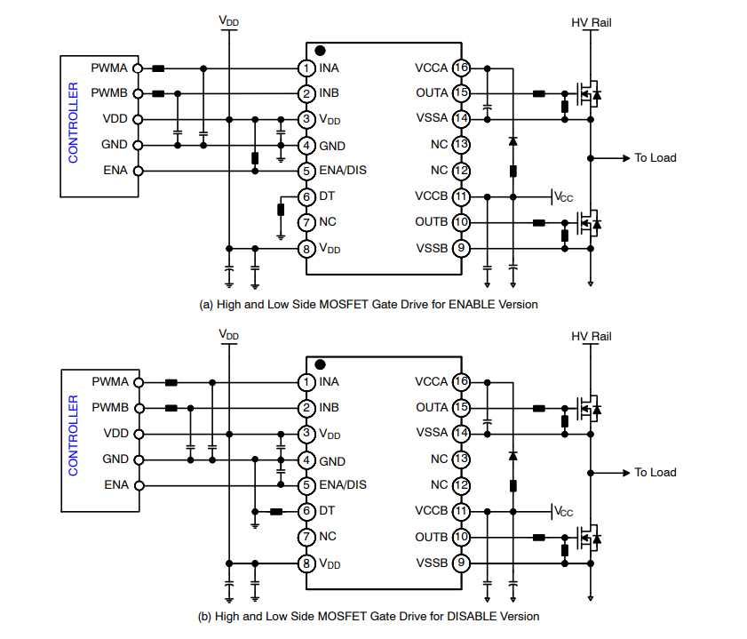
安森美NCP51560隔離式雙通道閘極驅動器由兩個電氣隔離式閘極驅動器通道提供高達1500VDC的工作電壓。這些通道允許對兩個低側、兩個高側開關或具有可編程死區時間的半橋驅動器進行多種配置。

NCP51560實現其他基本保護功能,包括閘極驅動器的獨立欠壓鎖定和死區時間調整功能。

特點

  • 靈活的雙低側、雙高側或半橋閘極驅動器
  • 4.5A峰值源極電流、9A峰值灌極電流輸出能力
  • 兩個輸出驅動器均具有獨立的UVLO保護
  • 輸出電源電壓從6.5V至30V,MOSFET閾值為5V和8V,SiC閾值為13V和17V UVLO
  • 共模瞬態抗擾度CMTI > 200V/ns
  • 使用者可編程死區時間
  • 38ns典型傳播延遲
    • 5ns每通道最大延遲匹配
    • 5ns最大脈衝寬度失真
  • 使用者可編程輸入邏輯
    • 禁用模式
  • 隔離和安全
    • 5kVrms隔離1分鐘(符合UL1577要求)
    • 8000VPK強化隔離電壓(符合VDE0884−11要求)
    • 符合GB4943.1-2011標準的CQC認證
    • 符合IEC 62386−1標準的SGS FIMO認證
  • 無鉛裝置

應用

  • 電機驅動器
  • DC-DC和AC-DC電源中的隔離轉換器
  • 伺服器、電訊和工業基礎設施

應用示意圖

電路圖 - onsemi NCP51560隔離式雙通道閘極驅動器

功能方塊圖

結構圖 - onsemi NCP51560隔離式雙通道閘極驅動器
發佈日期: 2022-08-22 | 更新日期: 2024-06-25