onsemi MC74HCx4851A/MC74HCx4852A Analog Mux/Demux
onsemi MC74HCx4851A/MC74HCx4852A Analog Multiplexers / Demultiplexers are pin-compatible with standard MC1405xB and HC405x analog mux/demux devices. These devices, however, feature injection current effect control. This feature makes them especially suited for automotive applications where voltages over the normal logic voltages are common.The injection current effect control allows signals at disabled analog input channels to exceed the supply voltage range without affecting the signal of the enabled analog channel. This feature eliminates the need for external diode/resistor networks, typically used to keep the analog channel signals within the supply voltage range.
The onsemi MC74HCx4851A/MC74HCx4852A utilize a low-power silicon gate CMOS technology. The Enable and Channel Select inputs are compatible with standard CMOS outputs.
Features
- Injection current cross−coupling less than 1mV/mA
- Pin compatible with HC405x and MC1405xB devices
- Power supply range of 2.0V to 6.0V (HC), 4.5V to 5.5V (HCT)
- In compliance with the requirements of JEDEC Standard No. 7A
- Chip complexity is 154 FETs or 36 equivalent gates
- -Q suffix for automotive and other applications requiring unique site and control change requirements (AEC−Q100 qualified and PPAP capable)
- These devices are Pb−free, halogen-free, and are RoHS-compliant
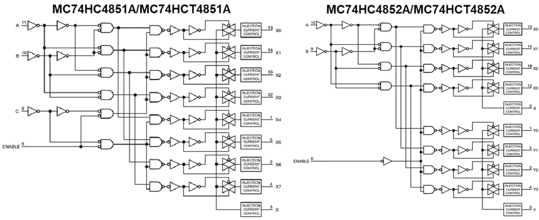
Function Diagrams
發佈日期: 2024-07-29
| 更新日期: 2024-09-09
